Yamaha Outboard Parts - Cylinder & Crankcase - 9.9DMH (1994) | Flood Marine
New Search
Parts
New Outboards
Home
9.9DMH (1994)
Cylinder & Crankcase
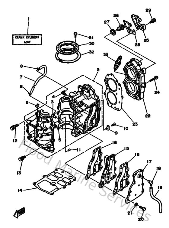
Diagram: Cylinder & Crankcase
Parts List
Reference
Description
Price
2
6E7151000094
Crankcase Assembly
Loading…
↗
3
650113700000
Check valve assembly
Loading…
↗
4
650144850300
Pipe, joint
Loading…
↗
5
624113790000
Valve, check
Loading…
↗
6
682416150000
Stopper, Magneto Base
Loading…
↗
7
9044507M0800
Hose (l390)
Loading…
↗
8
904670601600
Clip (655)
Loading…
↗
9
682113250000
Anode 1
Loading…
↗
10
987800501600
Ybs53-516 screw,flat head
Loading…
↗
11
936061201900
Pin, dowel (614)
Loading…
↗
13
9011906M1300
Bolt, with washer (682)
Loading…
↗
14
68211351A000
Gasket, cylinder
Loading…
↗
15
68241111001S
Inner caver, exhaust
Loading…
↗
16
68241112A100
Gasket, exhaust inner cover
Loading…
↗
17
68241113009M
Outer Cover, Exhaust
Loading…
↗
18
676113720000
Nipple, hose
Loading…
↗
19
904450901000
Hose (L260)
Loading…
↗
20
970950602500
Bolt
Loading…
↗
21
929900660000
Washer, plain (646)
Loading…
↗
22
6E711111011S
Head, cylinder 1
Loading…
↗
23
6E711181A000
Gasket, cylinder head 1
Loading…
↗
24
9010507M0500
Bolt (682)
Loading…
↗
25
68212413001S
Cover, thermostat
Loading…
↗
26
6F5124110200
Thermostat
Loading…
↗
27
902012156700
Washer, plate (650)
Loading…
↗
28
68212414A100
Gasket, cover
Loading…
↗
29
970800602000
Bolt(7u8)
Loading…
↗
31
978900601000
Screw pan head
Loading…
↗
32
682416110000
Retainer, Magneto Base
Loading…
↗
33
947020027100
Plug, spark (br7hs-10)
Loading…
↗