Yamaha Outboard Parts - Cylinder & Crankcase - 9.9FMH (1996) | Flood Marine
New Search
Parts
New Outboards
Home
9.9FMH (1996)
Cylinder & Crankcase
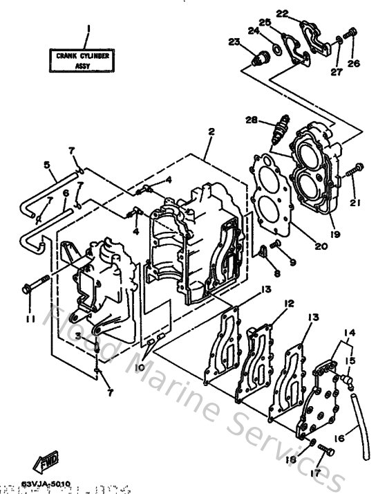
Diagram: Cylinder & Crankcase
Parts List
Reference
Description
Price
2
63V151000094
Crankcase Assembly
Loading…
↗
3
624144850000
Pipe, joint
Loading…
↗
4
650144850200
Pipe, joint
Loading…
↗
5
9044507M9000
Hose (l390)
Loading…
↗
6
9044507M0800
Hose (l390)
Loading…
↗
7
904670601600
Clip (655)
Loading…
↗
8
682113250000
Anode 1
Loading…
↗
9
987800501600
Ybs53-516 screw,flat head
Loading…
↗
10
936061201900
Pin, dowel (614)
Loading…
↗
11
9011908M0700
Bolt, with washer(63v)
Loading…
↗
12
63V41111009M
Inner cover, exhaust
Loading…
↗
13
63V41112A000
Gasket, exhaust inner cover
Loading…
↗
14
63V41113009M
Outer Cover, Exhaust
Loading…
↗
15
676113720000
Nipple, hose
Loading…
↗
16
90445092K100
Hose (l420)
Loading…
↗
17
970950603000
Bolt(jf7)
Loading…
↗
18
929900660000
Washer, plain (646)
Loading…
↗
19
6E711111011S
Head, cylinder 1
Loading…
↗
20
63V11181A000
Gasket, cylinder head 1
Loading…
↗
21
9010507M0500
Bolt (682)
Loading…
↗
22
68212413001S
Cover, thermostat
Loading…
↗
23
6E5124112000
Thermostat
Loading…
↗
24
9020116M0300
Washer, plate(63v)
Loading…
↗
25
68212414A100
Gasket, cover
Loading…
↗
26
970130602000
Bolt(62y)
Loading…
↗
28
947020027100
Plug, spark (br7hs-10)
Loading…
↗