Yamaha Outboard Parts - Cylinder & Crankcase - E40XMH (1999) | Flood Marine
New Search
Parts
New Outboards
Home
E40XMH (1999)
Cylinder & Crankcase
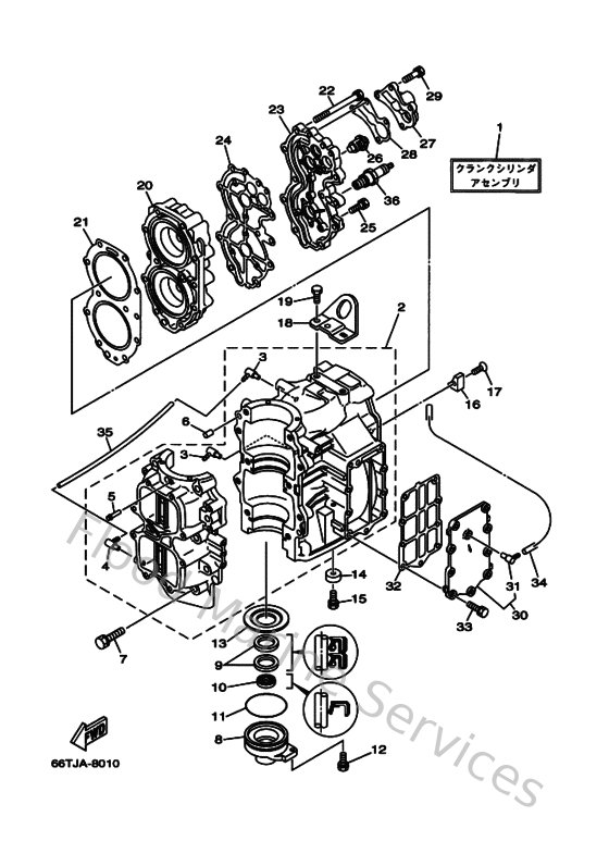
Diagram: Cylinder & Crankcase
Parts List
Reference
Description
Price
1
66TW0090004D
Crank cylinder assembly
Loading…
↗
2
66T151000094
Crankcase assembly
Loading…
↗
3
6E5135520000
Nozzle
Loading…
↗
4
6E5135520100
Nozzle
Loading…
↗
5
624144850000
Pipe, joint
Loading…
↗
6
936081206300
Pin, dowel (626)
Loading…
↗
7
9011910M0700
Bolt (6f5)
Loading…
↗
8
66T153960000
Housing, oil seal
Loading…
↗
9
9310230M5600
Oil seal
Loading…
↗
10
9310416M0100
Oil seal(6a8)
Loading…
↗
11
9321065M5000
O-ring
Loading…
↗
12
975950652000
Bolt(7u8)
Loading…
↗
13
9020934M2700
Washer
Loading…
↗
14
676452510000
Anode
Loading…
↗
16
676113250000
Anode
Loading…
↗
17
9014106M0000
Screw, countersunk
Loading…
↗
18
66T111190000
Hanger, engine
Loading…
↗
19
970800802000
Bolt(6td)
Loading…
↗
20
66T111110094
Head, cylinder 1
Loading…
↗
21
66T11181A000
Gasket, cylinder head 1
Loading…
↗
22
9011908M0900
Bolt (6f5)
Loading…
↗
23
66T11191009M
Cover, Cylinder Head 1
Loading…
↗
24
66T11193A300
Gasket, head cover 1
Loading…
↗
25
975130652500
Bolt, with washer(61b)
Loading…
↗
26
6E5124110100
Thermostat
Loading…
↗
27
67612413009M
Cover, thermostat
Loading…
↗
28
67612414A100
Gasket, cover
Loading…
↗
29
975130653500
Bolt(3rv)
Loading…
↗
30
66T41113009M
Outer Cover, Exhaust
Loading…
↗
31
676113720000
Nipple, hose
Loading…
↗
32
66T41114A000
Gasket, exhaust outer cover
Loading…
↗
34
90445092K100
Hose (l420)
Loading…
↗
35
9044507M0800
Hose (l390)
Loading…
↗
36
947020004000
Plug, spark (b7hs)
Loading…
↗