Yamaha Outboard Parts - Cylinder & Crankcase - F40BM (2000) | Flood Marine

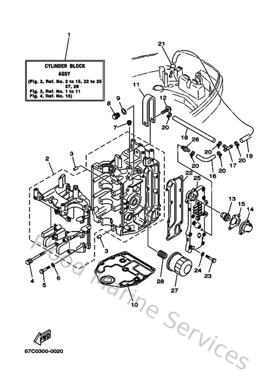
Diagram: Cylinder & Crankcase

Diagram