Yamaha Outboard Parts - Cylinder & Crankcase - F40BM (2001) | Flood Marine

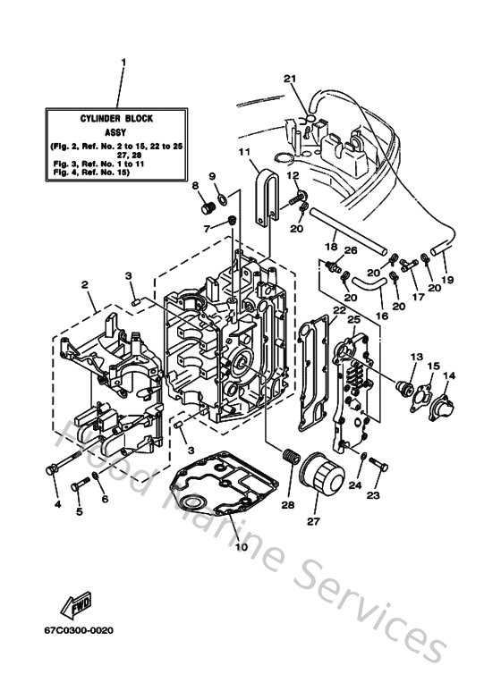
Diagram: Cylinder & Crankcase

Diagram