Yamaha Outboard Parts - Cylinder & Crankcase - FT9.9DMHSL (2001) | Flood Marine
New Search
Parts
New Outboards
Home
FT9.9DMHSL (2001)
Cylinder & Crankcase
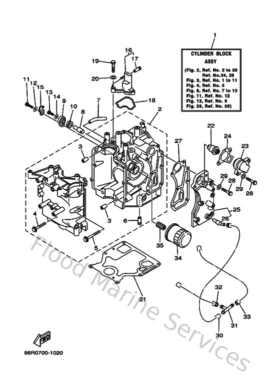
Diagram: Cylinder & Crankcase
Parts List
Reference
Description
Price
1
66MW009B021S
Cylinder Block assembly (With Reli
Loading…
↗
2
66M15100011S
Crankcase assembly
Loading…
↗
3
995101011400
Pin, dowel(3vd)
Loading…
↗
4
9011908M6600
Bolt, with washer
Loading…
↗
5
9011906M1400
Bolt, with washer (677)
Loading…
↗
6
6E5243770000
Pipe, joint
Loading…
↗
7
9044510M4600
Hose (l200)
Loading…
↗
8
66M113250000
Anode
Loading…
↗
9
66M113270094
Cover, anode
Loading…
↗
10
66M113280000
Grommet, anode
Loading…
↗
11
970950602000
Bolt(7u8)
Loading…
↗
12
929950660000
Washer, plain (646)
Loading…
↗
13
970950501200
Bolt, hexagon
Loading…
↗
14
929950560000
Washer, plain (646)
Loading…
↗
15
66M125350000
Plate
Loading…
↗
16
66M11168001S
Cover Breather
Loading…
↗
18
66M113570000
Seal, cylinder 3
Loading…
↗
20
929900660000
Washer, plain (646)
Loading…
↗
21
66M113510000
Gasket, cylinder
Loading…
↗
22
66M124110000
Thermostat
Loading…
↗
23
6H312413001S
Cover, thermostat
Loading…
↗
24
62Y124140000
Gasket, cover
Loading…
↗
25
66M41113201S
Outer Cover Exhaust
Loading…
↗
26
676113720000
Nipple, hose
Loading…
↗
27
66M411140000
Gasket, exhaust outer cover
Loading…
↗
28
970130603000
Bolt
Loading…
↗
30
904450906100
Hose (L65)
Loading…
↗
31
688243780000
Pipe, joint
Loading…
↗
32
90445092K100
Hose (l420)
Loading…
↗
33
904450910500
Hose (l420)
Loading…
↗
34
5GH134400000
Element assembly, oil cleaner
Loading…
↗
35
9040120M0000
Bolt, union(62y)
Loading…
↗