Yamaha Outboard Parts - Cylinder & Crankcase 2 - P200ETOL (1994) | Flood Marine
New Search
Parts
New Outboards
Home
P200ETOL (1994)
Cylinder & Crankcase 2
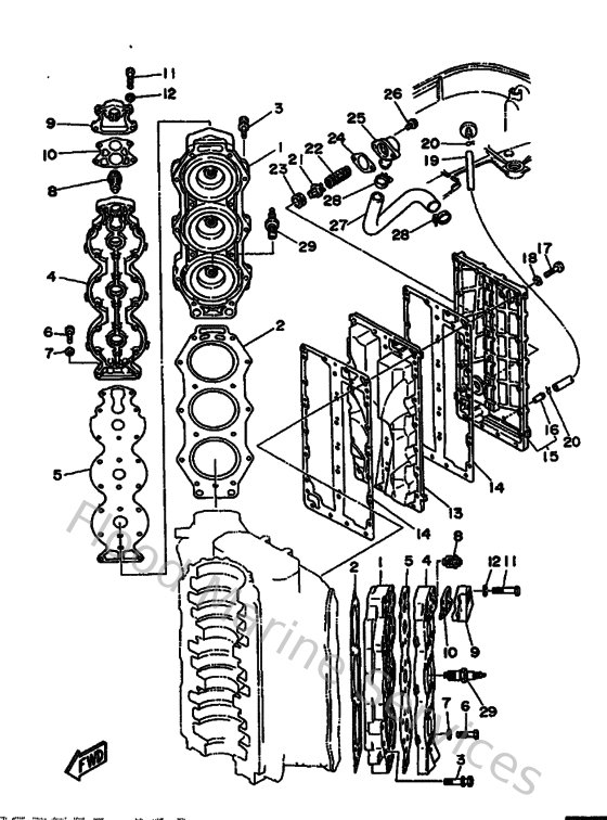
Diagram: Cylinder & Crankcase 2
Parts List
Reference
Description
Price
2
6G511181A000
Gasket, cylinder head 1
Loading…
↗
3
9011908M2100
Bolt, with washer(63v)
Loading…
↗
4
6G511191009M
Cover, cylinder head 1
Loading…
↗
5
6G511193A200
Gasket, head cover 1
Loading…
↗
6
970950603000
Bolt(jf7)
Loading…
↗
7
929900660000
Washer, plain (646)
Loading…
↗
8
6E5124113000
Thermostat
Loading…
↗
9
6G512413009M
Cover, thermostat
Loading…
↗
10
68812414A100
Gasket, cover
Loading…
↗
11
970130604500
Bolt, hexagon
Loading…
↗
13
6G541111009M
Inner cover, exhaust
Loading…
↗
14
6G541112A100
Gasket, exhaust inner cover
Loading…
↗
15
6R341113001S
Outer cover, exhaust
Loading…
↗
16
650243780000
Pipe, joint 2
Loading…
↗
17
970140603500
Bolt(3rv)
Loading…
↗
19
6E5243120000
Pipe 2
Loading…
↗
20
904670800400
Clip, pipe 6162435600
Loading…
↗
21
6G5124160000
Valve, pressure control
Loading…
↗
22
9050116M1100
Spring, compression (688)
Loading…
↗
23
9048020M0500
Grommet (688)
Loading…
↗
24
6G511382A100
Gasket 2
Loading…
↗
25
6G511372005B
Cover, bypass 2
Loading…
↗
26
970800602000
Bolt(7u8)
Loading…
↗
27
6G5125760000
Hose 1
Loading…
↗
28
9046513M3600
Clamp(6h4)
Loading…
↗
29
947020030900
Plug, spark (br9hs-10)
Loading…
↗