Yamaha Outboard Parts - Electric Parts - FT9.9AMH (1990) | Flood Marine
New Search
Parts
New Outboards
Home
FT9.9AMH (1990)
Electric Parts
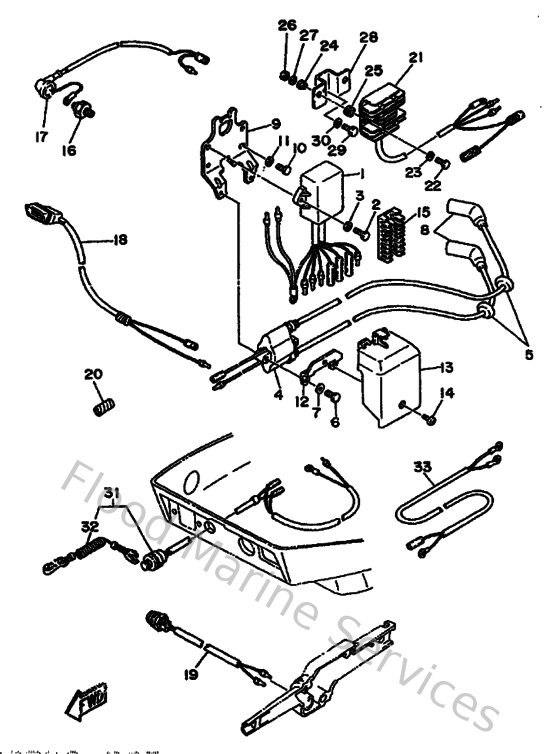
Diagram: Electric Parts
Parts List
Reference
Description
Price
1
6G8855402000
C.d.i. unit assembly
Loading…
↗
2
973130602500
Bolt
Loading…
↗
3
929900660000
Washer, plain (646)
Loading…
↗
4
6G8855702100
Ignition coil assembly
Loading…
↗
5
904802516100
Grommet(656)
Loading…
↗
6
973130602000
Bolt(7u8)
Loading…
↗
8
6G8823702000
Plug cap assembly
Loading…
↗
9
6G8855420000
Bracket
Loading…
↗
12
6G8855250000
Plate
Loading…
↗
13
6G8819160000
Cover, Terminal
Loading…
↗
14
989800600800
Screw, bind(2tv)
Loading…
↗
15
6G8825220000
Clamp
Loading…
↗
16
6G8825040000
Oil pressure switch
Loading…
↗
17
6G8821270000
Wire Lead 2
Loading…
↗
18
6G8835820100
Pilot Light assembly
Loading…
↗
19
6G8825502000
Engine Stop Switch assembly
Loading…
↗
20
9044610M0200
Tube (6e5)
Loading…
↗
21
6G881960A100
Rectifier & regulator assembly
Loading…
↗
22
9010106M2700
Bolt
Loading…
↗
24
9038706M7000
Collar (6h5)
Loading…
↗
25
9048013M2400
Grommet (6e9)
Loading…
↗
26
953800670000
Nut
Loading…
↗
29
973130601600
Bolt, hexagon deep recess
Loading…
↗
31
6G8825750000
Engine stop switch assembly
Loading…
↗
32
682825560000
Lanyard, stop switch
Loading…
↗
33
6G8819490000
Wire, lead
Loading…
↗