Yamaha Outboard Parts - Electrical - 55BM (1990) | Flood Marine
New Search
Parts
New Outboards
Home
55BM (1990)
Electrical
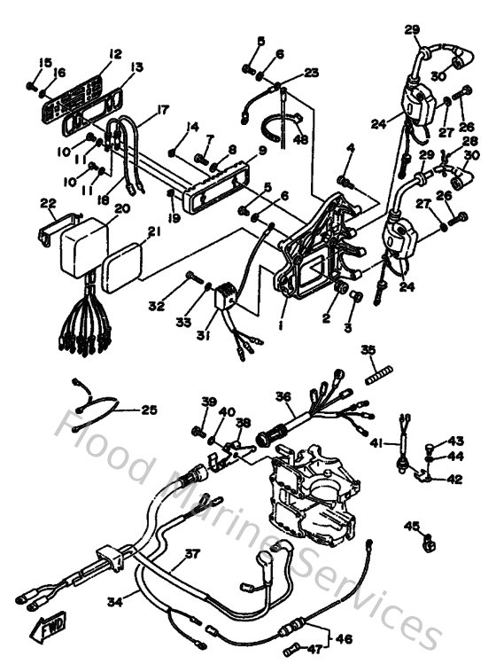
Diagram: Electrical
Parts List
Reference
Description
Price
1
663855420094
Bracket
Loading…
↗
2
6A0823170000
Damper, ignition coil
Loading…
↗
3
624425420000
Collar
Loading…
↗
4
9011906M2700
Bolt, with washer
Loading…
↗
5
970800601200
Bolt(gh1)
Loading…
↗
6
929900610000
Washer(6a1)
Loading…
↗
7
985030601800
Screw, pan head(6e5)
Loading…
↗
8
929900660000
Washer, plain (646)
Loading…
↗
9
663819250000
Terminal
Loading…
↗
10
985170400600
Screw, pan head(3xp)
Loading…
↗
11
929900420000
Ybs66-4 washer, plain
Loading…
↗
12
697819160000
Cover, Terminal
Loading…
↗
13
663819210000
Gasket, Terminal
Loading…
↗
14
904800606600
Grommet
Loading…
↗
15
985800402000
Screw, pan head (7h3)
Loading…
↗
16
929900410000
Ybs67-4 washer, spring
Loading…
↗
19
663819220000
Grommet
Loading…
↗
20
663855401400
C.d.i. Unit assembly
Loading…
↗
21
663855470100
Damper
Loading…
↗
22
663821310100
Band
Loading…
↗
23
662825190000
Wire, earth lead
Loading…
↗
24
697855701100
Ignition coil assembly
Loading…
↗
25
697825190000
Wire,earth lead
Loading…
↗
26
973130603000
Bolt
Loading…
↗
28
9046408M0200
Clamp
Loading…
↗
29
904802516100
Grommet(656)
Loading…
↗
30
6G1823702100
Plug cap assembly
Loading…
↗
31
664819706100
Rectifier assembly
Loading…
↗
32
985800553000
Ybs86-530 screw,panhead
Loading…
↗
33
929900510000
Ybs67-5 washer, spring
Loading…
↗
35
9044610M0200
Tube (6e5)
Loading…
↗
36
697825901100
Wire Harness Assembly
Loading…
↗
37
697821051200
Battery cable
Loading…
↗
38
697825940000
Clamp
Loading…
↗
39
973130801600
Bolt, hexagon
Loading…
↗
40
929900860000
Washer, plain (663)
Loading…
↗
41
688825600000
Thermo switch assembly
Loading…
↗
42
663825880000
Plate
Loading…
↗
43
970850601000
Bolt
Loading…
↗
45
904650802800
Clamp (1e6)
Loading…
↗
46
682821501000
Fuse holder assembly
Loading…
↗
47
682821510000
Fuse
Loading…
↗
48
9046513M3900
Clamp(6e8)
Loading…
↗