Yamaha Outboard Parts - Electrical 1 - 90AETOL (2001) | Flood Marine
New Search
Parts
New Outboards
Home
90AETOL (2001)
Electrical 1
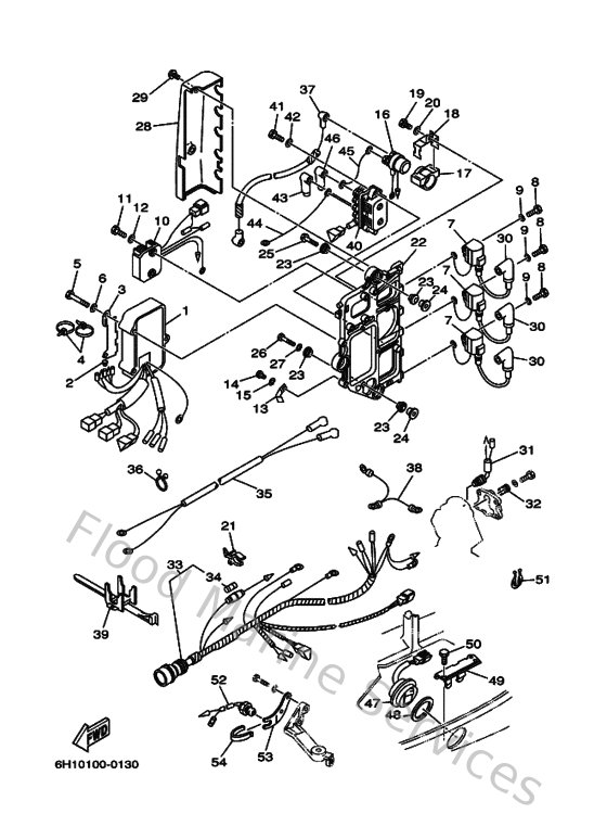
Diagram: Electrical 1
Parts List
Reference
Description
Price
1
6H0855400400
C.d.i. unit assembly
Loading…
↗
2
703821190000
Cover, lead wire
Loading…
↗
3
6H1855421000
Bracket
Loading…
↗
4
9046513M1100
Clamp (6e5)
Loading…
↗
5
970950605000
Bolt(jf7)
Loading…
↗
6
929900660000
Washer, plain (646)
Loading…
↗
7
697855700000
Ignition coil assembly
Loading…
↗
8
970130602000
Bolt(62y)
Loading…
↗
9
929030660000
Washer, plain (646)
Loading…
↗
10
6H0819601000
Rectifier & regulator assembly
Loading…
↗
11
970950602000
Bolt(7u8)
Loading…
↗
13
9046508M2300
Clamp (6h3)
Loading…
↗
14
970950601200
Bolt(gh1)
Loading…
↗
15
929950610000
Washer(6a1)
Loading…
↗
16
6G1819411000
Starter relay
Loading…
↗
17
6G1819520000
Holder, relay
Loading…
↗
18
6E9819457000
Plate, switch fitting
Loading…
↗
19
970140601600
Bolt, hexagon deep recess
Loading…
↗
21
6G5821520000
Holder, fuse
Loading…
↗
22
6H1855420094
Bracket
Loading…
↗
23
9048009M2500
Grommet(688)
Loading…
↗
24
9038706M0300
Collar (676)
Loading…
↗
25
9011906M7500
Bolt, with washer
Loading…
↗
26
9010906M3900
Bolt(6h0)
Loading…
↗
27
9020106M3100
Washer (6a0)
Loading…
↗
28
6H1819160000
Cover, terminal
Loading…
↗
29
9015906M1100
Screw, with washer(6l2)
Loading…
↗
30
6E3823702100
Plug cap assembly
Loading…
↗
31
688825601000
Thermo switch assembly
Loading…
↗
32
688825880100
Plate
Loading…
↗
34
682821510000
Fuse
Loading…
↗
35
6H0821050200
Battery cable
Loading…
↗
36
9046423M2200
Clamp
Loading…
↗
37
6H0821170000
Wire, lead
Loading…
↗
38
697825190000
Wire,earth lead
Loading…
↗
39
688825940000
Clamp
Loading…
↗
40
61A819500000
Relay assembly
Loading…
↗
41
970950602500
Bolt
Loading…
↗
42
929950660000
Washer, plain (646)
Loading…
↗
43
6G5821191000
Cover, lead wire
Loading…
↗
44
6H0819491000
Wire, lead
Loading…
↗
45
6H0819490100
Wire, lead
Loading…
↗
46
682821190100
Cover, lead wire
Loading…
↗