Yamaha Outboard Parts - Electrical 1 - FT9.9AMH (1990) | Flood Marine

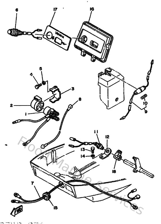
Diagram: Electrical 1

Diagram