Yamaha Outboard Parts - Electrical 1 - L250AETO (1993) | Flood Marine
New Search
Parts
New Outboards
Home
L250AETO (1993)
Electrical 1
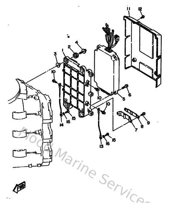
Diagram: Electrical 1
Parts List
Reference
Description
Price
1
61A8554200EJ
Bracket
Loading…
↗
2
9048009M1200
Grommet (6a0)
Loading…
↗
3
9038706M0300
Collar (676)
Loading…
↗
4
9011906M2800
Bolt, With Washer
Loading…
↗
5
61A855400100
C.d.i. Unit Assembly
Loading…
↗
6
975130652500
Bolt, with washer(61b)
Loading…
↗
7
61A855480000
Holder
Loading…
↗
8
61A855250000
Cover
Loading…
↗
9
975950651600
Bolt, with washer(6r6)
Loading…
↗
10
970950601400
Bolt(gj3)
Loading…
↗
11
61A855370000
Cover
Loading…
↗
12
979860622000
Screw, with washer(64x)
Loading…
↗
13
61A825190000
Wire, Earth Lead
Loading…
↗
14
6R3825190000
Wire, earth lead
Loading…
↗
15
970130601200
Bolt(gh1)
Loading…
↗
16
929900610000
Washer(6a1)
Loading…
↗