Yamaha Outboard Parts - Electrical 2 - 15FWH (1998) | Flood Marine
New Search
Parts
New Outboards
Home
15FWH (1998)
Electrical 2
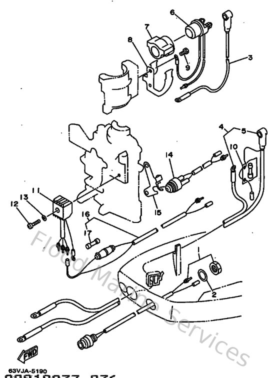
Diagram: Electrical 2
Parts List
Reference
Description
Price
1
689818700000
Starting switch assembly
Loading…
↗
2
9020116M3600
Washer, plate(6e7)
Loading…
↗
3
6E7821170000
Wire, lead
Loading…
↗
4
6E7821051200
Battery cable
Loading…
↗
5
682821190100
Cover, lead wire
Loading…
↗
6
6G1819411000
Starter relay
Loading…
↗
7
6G1819520000
Holder, relay
Loading…
↗
8
6E7819450000
Plate, Switch Fitting
Loading…
↗
9
970800601400
Bolt(gj3)
Loading…
↗
10
682821510000
Fuse
Loading…
↗
11
664819706100
Rectifier assembly
Loading…
↗
12
978800502500
Screw, panhead (a93)
Loading…
↗
13
929900560000
Washer, plain (646)
Loading…
↗
14
688825401100
Neutral switch assembly
Loading…
↗
15
63V825540000
Stay, neutral switch
Loading…
↗
16
63V825410000
Wire Lead
Loading…
↗
17
663821510000
Fuse
Loading…
↗