Yamaha Outboard Parts - Electrical 2 - F20AM (2000) | Flood Marine
New Search
Parts
New Outboards
Home
F20AM (2000)
Electrical 2
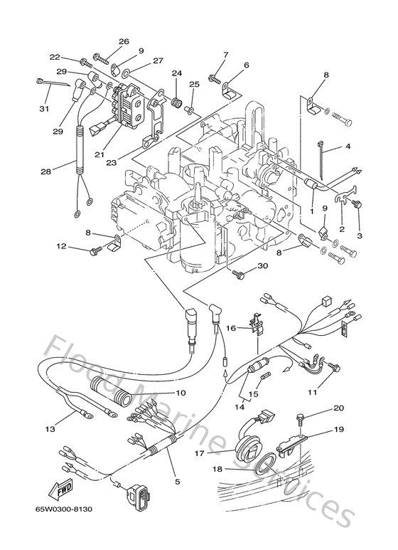
Diagram: Electrical 2
Parts List
Reference
Description
Price
1
65W857900000
Thermosensor assembly
Loading…
↗
2
65W857570000
Retainer
Loading…
↗
3
975950651200
Bolt, hexagon w/w deep recess
Loading…
↗
4
904651009800
Clamp
Loading…
↗
8
9046508M0800
Clamp (6e5)
Loading…
↗
9
9046506M8800
Clamp
Loading…
↗
10
6N7835570000
Tube
Loading…
↗
11
975950651600
Bolt, with washer(6r6)
Loading…
↗
12
975950551600
Bolt, with washer
Loading…
↗