Yamaha Outboard Parts - Fuel - 30DMHO (1998) | Flood Marine
New Search
Parts
New Outboards
Home
30DMHO (1998)
Fuel
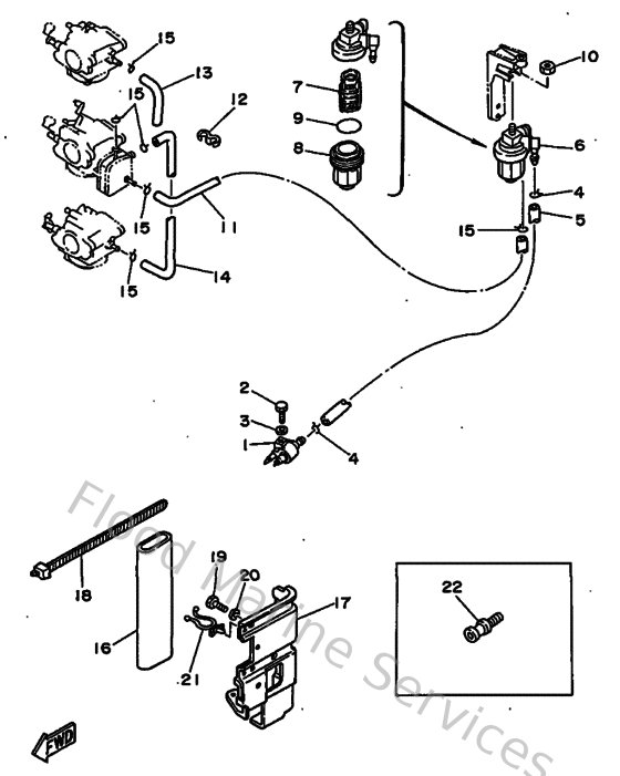
Diagram: Fuel
Parts List
Reference
Description
Price
1
6G1243040200
Fuel pipe joint comp. 1
Loading…
↗
2
970950602500
Bolt
Loading…
↗
3
929900660000
Washer, plain (646)
Loading…
↗
4
904670800400
Clip, pipe 6162435600
Loading…
↗
5
9044509M0000
Hose (l180)
Loading…
↗
6
61N245601000
Filter assembly
Loading…
↗
7
61N245630000
Element, filter
Loading…
↗
8
61N245210000
Cup, filter
Loading…
↗
9
932103273800
O-ring(1wg)
Loading…
↗
10
9017908M1500
Nut(6j8)
Loading…
↗
11
6E5243120000
Pipe 2
Loading…
↗
12
9046409M2100
Clamp(6j8)
Loading…
↗
13
688243130000
Pipe, fuel 2
Loading…
↗
14
6J8243110000
Pipe, fuel 2
Loading…
↗
16
656W28100200
Tool kit
Loading…
↗
17
6J8281700000
Tool, holder
Loading…
↗
18
6E1426940000
Band
Loading…
↗
19
970950801600
Bolt, hexagon deep recess
Loading…
↗
20
929950860000
Washer, plain (663)
Loading…
↗
21
9046412M1700
Clamp(6j8)
Loading…
↗
22
6E0281930094
Plug, water check
Loading…
↗