Yamaha Outboard Parts - Fuel - F40BM (2001) | Flood Marine
New Search
Parts
New Outboards
Home
F40BM (2001)
Fuel
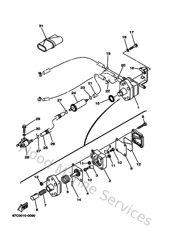
Diagram: Fuel
Parts List
Reference
Description
Price
1
62Y244100200
Fuel pump assembly
Loading…
↗
2
62Y244130000
Body 4
Loading…
↗
3
62Y244210100
Valve, check
Loading…
↗
4
62Y244110200
Diaphragm
Loading…
↗
5
62Y244230000
Spring, diaphragm
Loading…
↗
6
62Y131310100
Plunger
Loading…
↗
7
62Y244540000
Spring
Loading…
↗
8
62Y244440000
Screw
Loading…
↗
9
62Y244710000
Diaphragm
Loading…
↗
10
6A0143250000
Screw, pan head
Loading…
↗
11
953800360000
Nut (6g8)
Loading…
↗
12
62Y244520000
Packing
Loading…
↗
13
953800560000
Nut, hexagon (663)
Loading…
↗
14
62Y243740100
Pin
Loading…
↗
15
932102480000
O-ring
Loading…
↗
16
65W244740000
Cover
Loading…
↗
17
970950603000
Bolt(jf7)
Loading…
↗
18
929900660000
Washer, plain (646)
Loading…
↗
19
9046710M0400
Clip, pipe 1 (6e9)
Loading…
↗
20
9046709M1700
Clip(6k8)
Loading…
↗
21
904451075200
Hose (l200)
Loading…
↗
23
9046709M0300
Clip(6k8)
Loading…
↗
24
65W242510000
Strainer 1
Loading…
↗
25
9044510MH800
Hose 'l430)
Loading…
↗
26
9044614M1200
Hose(6tc)
Loading…
↗
28
6G1243041000
Fuel pipe joint comp. 1
Loading…
↗
29
970950602500
Bolt
Loading…
↗
30
929950660000
Washer, plain (646)
Loading…
↗
31
62Y281000000
Tool kit
Loading…
↗