Yamaha Outboard Parts - Fuel 1 - 50GETO (1993) | Flood Marine
New Search
Parts
New Outboards
Home
50GETO (1993)
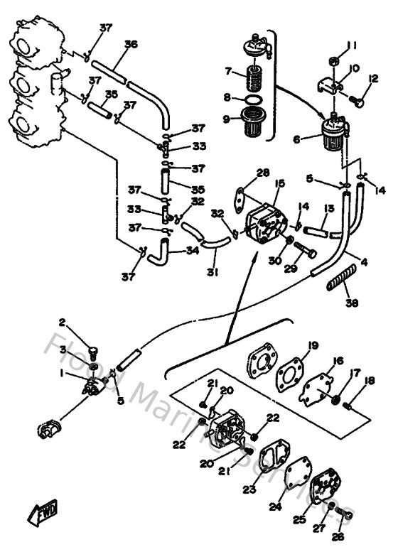
Fuel 1
Diagram: Fuel 1
Parts List
Reference
Description
Price
1
6G1243040200
Fuel pipe joint comp. 1
Loading…
↗
2
973950602500
Bolt
Loading…
↗
3
929950660000
Washer, plain (646)
Loading…
↗
4
9046509M7500
Clamp
Loading…
↗
5
655245600100
Filter assembly
Loading…
↗
6
61N245601000
Filter assembly
Loading…
↗
7
6F5245630000
Element, filter
Loading…
↗
8
9321037M2500
O-ring (655)
Loading…
↗
10
648245660100
Bracket, Filter
Loading…
↗
11
953800860000
Nut (661)
Loading…
↗
12
973130601400
Bolt(gj3)
Loading…
↗
13
90445092K100
Hose (l420)
Loading…
↗
14
904670800400
Clip, pipe 6162435600
Loading…
↗
16
648244110000
Diaphragm
Loading…
↗
17
648244240000
Seat,spring
Loading…
↗
18
648244230000
Spring,diaphragm
Loading…
↗
19
648244340100
Gasket, body
Loading…
↗
20
6A0244210100
Valve, check
Loading…
↗
21
6A0143250000
Screw, pan head
Loading…
↗
22
953800360000
Nut (6g8)
Loading…
↗
23
648244350200
Gasket, body 2
Loading…
↗
24
663244110000
Diaphragm
Loading…
↗
25
648244130100
Cover, pump
Loading…
↗
26
985800553000
Ybs86-530 screw,panhead
Loading…
↗
27
929900510000
Ybs67-5 washer, spring
Loading…
↗
33
688243780000
Pipe, joint
Loading…
↗
34
688243130000
Pipe, fuel 2
Loading…
↗
35
90445090F600
Hose (l1500)
Loading…
↗
36
6H3243140000
Pipe 4
Loading…
↗
38
9044610M0100
Tube (6e5)
Loading…
↗