Yamaha Outboard Parts - Fuel 1 - 70BETO (1985) | Flood Marine
New Search
Parts
New Outboards
Home
70BETO (1985)
Fuel 1
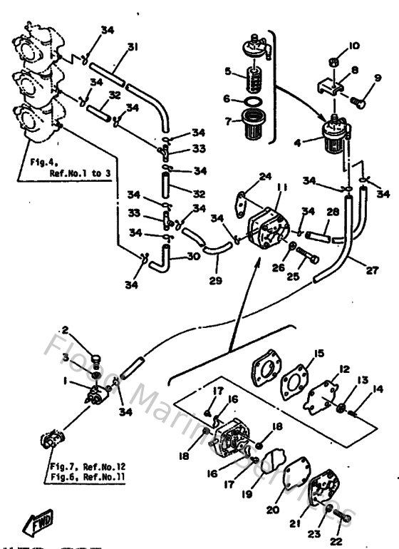
Diagram: Fuel 1
Parts List
Reference
Description
Price
1
6G1243040000
Fuel pipe joint comp. 1
Loading…
↗
2
973130602500
Bolt
Loading…
↗
3
929900660000
Washer, plain (646)
Loading…
↗
4
655245600100
Filter assembly
Loading…
↗
5
6F5245630000
Element, filter
Loading…
↗
6
9321037M2500
O-ring (655)
Loading…
↗
8
648245660100
Bracket, Filter
Loading…
↗
9
973130601400
Bolt(gj3)
Loading…
↗
10
953330860000
Nut(6l2)
Loading…
↗
11
6A0244100100
Fuel pump assembly
Loading…
↗
12
648244110000
Diaphragm
Loading…
↗
13
648244240000
Seat,spring
Loading…
↗
14
648244230000
Spring,diaphragm
Loading…
↗
15
648244340100
Gasket, body
Loading…
↗
16
6A0244210100
Valve, check
Loading…
↗
18
988130310000
Nut
Loading…
↗
19
6A0244350000
Gasket, Body 2
Loading…
↗
20
663244110000
Diaphragm
Loading…
↗
21
648244130100
Cover, pump
Loading…
↗
22
985030502800
Ybs86-530 screw,panhead
Loading…
↗
23
929900510000
Ybs67-5 washer, spring
Loading…
↗
24
650244310000
Gasket,fuel pump
Loading…
↗
25
970950604000
Bolt (682)
Loading…
↗
26
929030660000
Washer, plain (646)
Loading…
↗
27
9044509M7500
Hose (l1500)
Loading…
↗
28
90445092K100
Hose (l420)
Loading…
↗
29
904450907200
Hose (l1500)
Loading…
↗
30
6H3243130000
Pipe, fuel 2
Loading…
↗
31
6H3243140000
Pipe 4
Loading…
↗
32
9044509M2200
Hose (l445)
Loading…
↗
33
688243780000
Pipe, joint
Loading…
↗
34
904670800400
Clip, pipe 6162435600
Loading…
↗