Yamaha Outboard Parts - Fuel 1 - 80AETOL (1985) | Flood Marine
New Search
Parts
New Outboards
Home
80AETOL (1985)
Fuel 1
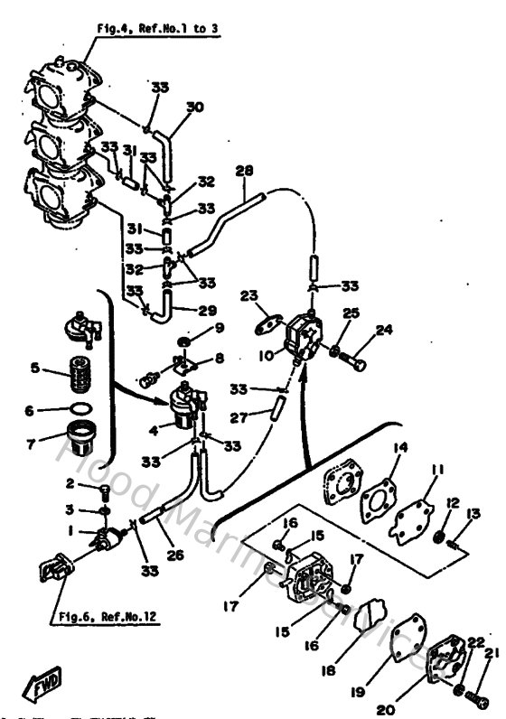
Diagram: Fuel 1
Parts List
Reference
Description
Price
1
6G1243040000
Fuel pipe joint comp. 1
Loading…
↗
2
973130602000
Bolt(7u8)
Loading…
↗
3
929900610000
Washer(6a1)
Loading…
↗
4
61N245601000
Filter assembly
Loading…
↗
5
6F5245630000
Element, filter
Loading…
↗
6
9321037M2500
O-ring (655)
Loading…
↗
8
6H1245660000
Bracket, Filter
Loading…
↗
9
953330860000
Nut(6l2)
Loading…
↗
10
6A0244100100
Fuel pump assembly
Loading…
↗
11
648244110000
Diaphragm
Loading…
↗
12
648244240000
Seat,spring
Loading…
↗
13
648244230000
Spring,diaphragm
Loading…
↗
14
648244340100
Gasket, body
Loading…
↗
15
6A0244210100
Valve, check
Loading…
↗
17
988130310000
Nut
Loading…
↗
18
6A0244350000
Gasket, Body 2
Loading…
↗
19
663244110000
Diaphragm
Loading…
↗
20
648244130100
Cover, pump
Loading…
↗
21
985030502800
Ybs86-530 screw,panhead
Loading…
↗
22
929900510000
Ybs67-5 washer, spring
Loading…
↗
23
65024431A000
Gasket,fuel pump
Loading…
↗
24
973130604000
Bolt (682)
Loading…
↗
25
929030660000
Washer, plain (646)
Loading…
↗
26
904450910500
Hose (l420)
Loading…
↗
27
904450904700
Hose
Loading…
↗
28
904450909700
Hose (l1500)
Loading…
↗
29
688243130000
Pipe, fuel 2
Loading…
↗
30
6A4243120000
Pipe, fuel 2
Loading…
↗
31
904450922000
Hose (l1500)
Loading…
↗
32
688243780000
Pipe, joint
Loading…
↗
33
904670800400
Clip, pipe 6162435600
Loading…
↗