Yamaha Outboard Parts - Fuel 2 - F8BMH (1986) | Flood Marine
New Search
Parts
New Outboards
Home
F8BMH (1986)
Fuel 2
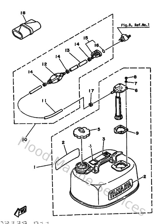
Diagram: Fuel 2
Parts List
Reference
Description
Price
5
647246100300
Cap assembly
Loading…
↗
7
630243290000
Seal
Loading…
↗
8
985800501500
Screw, pan head(6b0)
Loading…
↗
9
663242680000
Gasket, housing fuel meter
Loading…
↗
10
6Y0243060200
Fuel pipe comp. 1
Loading…
↗
11
9044511M7900
Hose (l3000)
Loading…
↗
12
6YL243606300
Primer pump assembly
Loading…
↗
13
9044511M7800
Hose (l1000)
Loading…
↗
14
650243510000
Band 1
Loading…
↗
15
6G1243050500
Fuel pipe joint comp. 2
Loading…
↗
16
932100828700
O-ring (655)
Loading…
↗
18
6G8281000000
Tool kit
Loading…
↗