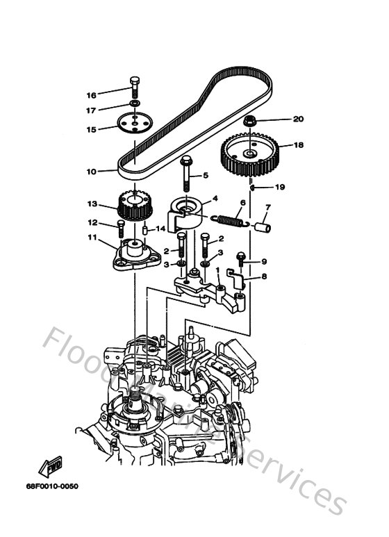
Yamaha Outboard Parts - Fuel Pump Drive Gear - Z150PETOL (2001) | Flood Marine

Diagram: Fuel Pump Drive Gear

Diagram