Yamaha Outboard Parts - Fuel Tank - F8BMH (1988) | Flood Marine
New Search
Parts
New Outboards
Home
F8BMH (1988)
Fuel Tank
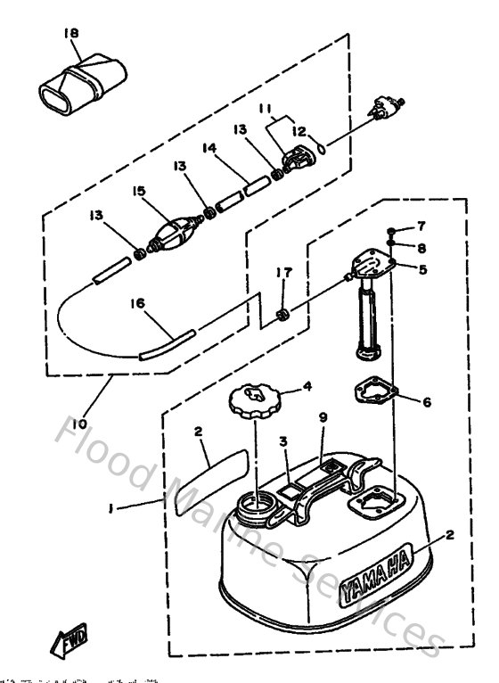
Diagram: Fuel Tank
Parts List
Reference
Description
Price
4
6Y0246100000
Cap assembly
Loading…
↗
5
6Y0242750000
Fuel Meter Comp
Loading…
↗
6
663242680000
Gasket, housing fuel meter
Loading…
↗
7
9015705M1900
Screw, pan head
Loading…
↗
8
6Y1243290000
Seal
Loading…
↗
11
6G1243050000
Fuel pipe joint comp. 2
Loading…
↗
12
932100828700
O-ring (655)
Loading…
↗
13
650243515100
Band 1
Loading…
↗
14
9044511M0500
Hose (l1000)
Loading…
↗
15
6Y1243600200
Primer pump assembly
Loading…
↗
16
9044511M8100
Hose (l3000)
Loading…
↗
17
650243510100
Band 1
Loading…
↗
18
676W28100000
Tool kit
Loading…
↗