Yamaha Outboard Parts - Intake - 250AETOXLX (1993) | Flood Marine
New Search
Parts
New Outboards
Home
250AETOXLX (1993)
Intake
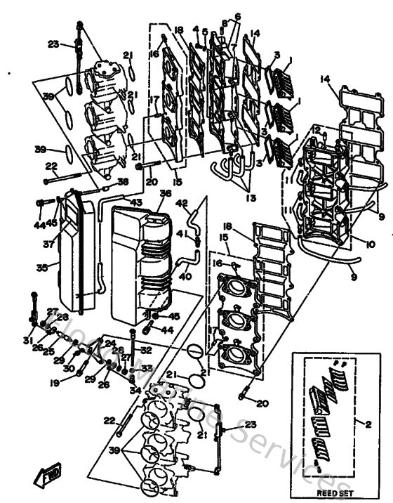
Diagram: Intake
Parts List
Reference
Description
Price
1
61A136100100
Reed valve assembly
Loading…
↗
2
61AW00040100
Reed Set
Loading…
↗
3
61A13621A000
Gasket, valve seat
Loading…
↗
4
985800501600
Screw, pan head(6b0)
Loading…
↗
5
929900560000
Washer, plain (646)
Loading…
↗
6
61A136240094
Plate, Reed Valve
Loading…
↗
7
6E5113720000
Nipple, hose
Loading…
↗
8
650243780000
Pipe, joint 2
Loading…
↗
9
904450700600
Hose (l770)
Loading…
↗
10
61A136241094
Plate, Reed Valve
Loading…
↗
12
6EEF43770000
Pipe, joint 2
Loading…
↗
13
9044507M4500
Hose (l390)
Loading…
↗
14
61A136460000
Gasket, manifold 2
Loading…
↗
15
61A136410094
Manifold 1
Loading…
↗
16
61A135520000
Nozzle
Loading…
↗
17
624144850000
Pipe, joint
Loading…
↗
18
61A136450000
Gasket, Manifold 1
Loading…
↗
19
975130657000
Bolt, With Washer
Loading…
↗
20
975130656500
Bolt, With Washer
Loading…
↗
21
9321050MA800
O-ring(61a)
Loading…
↗
22
9010506M5500
Bolt, Washer Based
Loading…
↗
23
61A412170100
Rod, accel. lever
Loading…
↗
24
61A416630000
Bracket 3
Loading…
↗
25
61A412420000
Rod 2
Loading…
↗
26
61A412800000
Accel. Lever Assembly
Loading…
↗
27
953800660000
Nut(661)
Loading…
↗
28
929950610000
Washer(6a1)
Loading…
↗
29
9020208M4100
Washer, plate(6t4)
Loading…
↗
30
9370006M0300
Nipple, grease(6a1)
Loading…
↗
31
61A412110100
Link Accel.
Loading…
↗
32
6J8412370000
Joint, link
Loading…
↗
33
953800560000
Nut, hexagon (663)
Loading…
↗
34
6H4412370000
Joint, link
Loading…
↗
35
61A144400300
Silencer assembly Intake
Loading…
↗
36
61A144401000
Silencer Assembly, Intake
Loading…
↗
38
647143956000
Cap,over flow pipe
Loading…
↗
39
9321060ME800
O-ring(61a)
Loading…
↗
40
9044507M3200
Hose (l200)
Loading…
↗
41
6E5131320000
Joint
Loading…
↗
42
9044507M0800
Hose (l390)
Loading…
↗
43
9044507M4400
Hose (l390)
Loading…
↗
44
9015906M1600
Screw, with washer(61a)
Loading…
↗
45
9020906M0500
Washer (688)
Loading…
↗