Diagram Sections: 250AETOXLX (1993)
Download as PDF-
Bottom Cowling
-
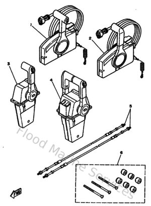
Bracket 1
-
Bracket 2
-
Carburetor
-
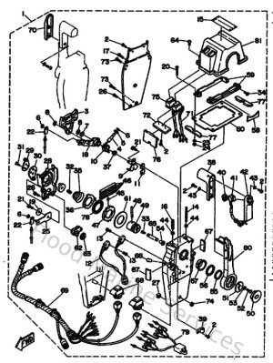
Control
-
Crankshaft & Piston
-
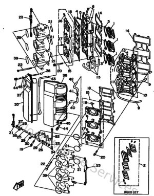
Cylinder & Crankcase 1
-
Cylinder & Crankcase 2
-
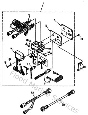
Electrical 1
-
Electrical 2
-
Electrical 3
-
Electrical 4
-
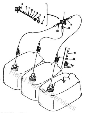
Fuel 1
-
Fuel 2
-
Fuel 3
-
Intake
-
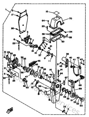
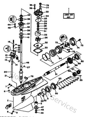
Lower Casing & Drive 1
-
Lower Casing & Drive 2
-
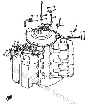
Magneto
-
Oil Pump
-
Oil Tank
-
Optional Parts
-
Optional Parts 1
-
Optional Parts 2
-
Optional Parts 3
-
Optional Parts 4
-
Optional Parts 5
-
Optional Parts 6
-
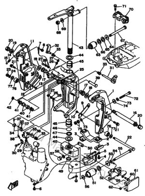
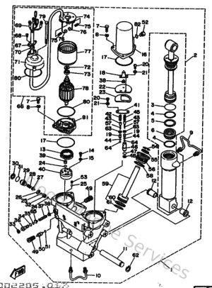
Power Trim & Tilt Assy
-
Remote Control
-
Remote Control Assy 1
-
Remote Control Assy 2
-
Remote Control Assy 3
-
Repair Kit 1
-
Repair Kit 2
-
Repair Kit 3
-
Starting Motor
-
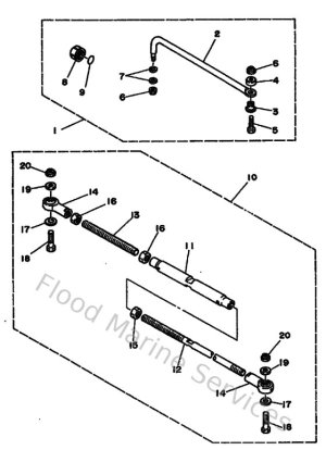
Steering Guide
-
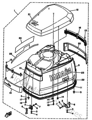
Top Cowling
-
Upper Casing