Yamaha Outboard Parts - Intake - 30DMHO (1998) | Flood Marine
New Search
Parts
New Outboards
Home
30DMHO (1998)
Intake
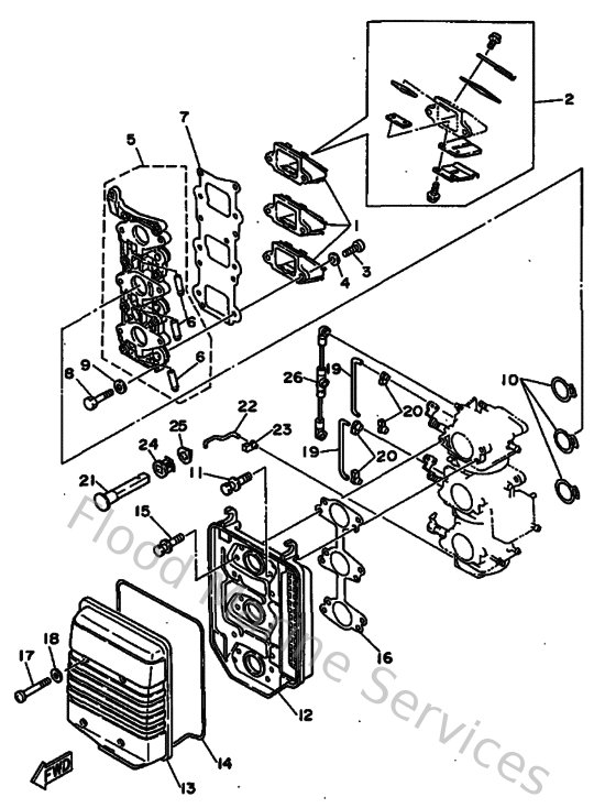
Diagram: Intake
Parts List
Reference
Description
Price
1
6J8136100000
Reed Valve assembly
Loading…
↗
2
6J8W00040000
Reed set
Loading…
↗
3
985800501600
Screw, pan head(6b0)
Loading…
↗
4
929900560000
Washer, plain (646)
Loading…
↗
5
6J8136411094
Manifold 1
Loading…
↗
6
676144850000
Pipe, joint
Loading…
↗
7
6J8136210000
Gasket, valve seat
Loading…
↗
8
970950602500
Bolt
Loading…
↗
9
929900660000
Washer, plain (646)
Loading…
↗
10
6J8141980000
Gasket
Loading…
↗
11
9011906M3200
Bolt, with washer(6j8)
Loading…
↗
12
6J8144170000
Cover 1
Loading…
↗
13
6J8144180000
Cover 2
Loading…
↗
14
6J8144760000
Seal
Loading…
↗
15
9011905M3100
Bolt, with washer(6j8)
Loading…
↗
16
6J814483A100
Gasket
Loading…
↗
17
985800554000
Screw,panhead (eg9)
Loading…
↗
19
6J8412590000
Rod, choke 3
Loading…
↗
20
661412620200
Joint, choke lever
Loading…
↗
21
6J8412710100
Knob, choke
Loading…
↗
22
6J8412570000
Rod, choke 2
Loading…
↗
23
6J8412620000
Joint, choke lever
Loading…
↗
24
689412730000
Grommet
Loading…
↗
25
6J8412740000
Grommet 2
Loading…
↗
26
6J8412170000
Rod, accel. lever
Loading…
↗