Yamaha Outboard Parts - Intake - E60HM (2001) | Flood Marine
New Search
Parts
New Outboards
Home
E60HM (2001)
Intake
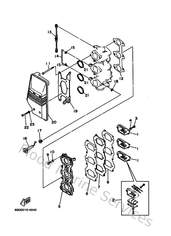
Diagram: Intake
Parts List
Reference
Description
Price
1
6H2136100000
Reed valve assembly
Loading…
↗
2
688W00040000
Reed set
Loading…
↗
3
978800501600
Screw, pan head(6b0)
Loading…
↗
4
929900560000
Washer, plain (646)
Loading…
↗
5
6H3136410394
Manifold, intake 1
Loading…
↗
6
6H313621A100
Gasket, valve seat
Loading…
↗
7
6H3136240000
Plate, reed valve
Loading…
↗
8
6H313622A100
Gasket, valve seat
Loading…
↗
9
970130602500
Bolt(62y)
Loading…
↗
10
929030660000
Washer, plain (646)
Loading…
↗
11
970950609500
Bolt, hexagon deep recess
Loading…
↗
12
6H314198A100
Gasket
Loading…
↗
13
6H3412170000
Rod, accel lever
Loading…
↗
14
6H3412570000
Rod, choke link 2
Loading…
↗
15
661412620200
Joint, choke lever
Loading…
↗
16
6H3412710000
Knob, choke
Loading…
↗
17
689412730000
Grommet
Loading…
↗
19
6H3144131100
Stay
Loading…
↗
20
6H3144400200
Silencer assembly, intake
Loading…
↗
21
6H3144570100
Seal
Loading…
↗
22
978850604500
Screw, pan head(6b0)
Loading…
↗
23
9020906M0500
Washer (688)
Loading…
↗