Yamaha Outboard Parts - Kits De Reparation 2 - 40VMO (1995) | Flood Marine
New Search
Parts
New Outboards
Home
40VMO (1995)
Kits De Reparation 2
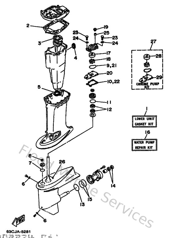
Diagram: Kits De Reparation 2
Parts List
Reference
Description
Price
1
63DW00012000
Lower unit gasket kit
Loading…
↗
2
63D45114A000
Gasket, upper casing
Loading…
↗
3
6H441134A000
Gasket, exhaust manifold
Loading…
↗
4
6H3451270000
Seal 1
Loading…
↗
5
63D451230000
Gasket, muffler
Loading…
↗
6
904300802000
Gasket
Loading…
↗
7
9321033MG400
O-ring
Loading…
↗
8
931060901400
Oil seal
Loading…
↗
9
9321059MG700
O-ring
Loading…
↗
10
63D443160000
Gasket, water pump
Loading…
↗
11
9321048MG800
O-ring
Loading…
↗
12
9310125M5700
Oil seal
Loading…
↗
13
9321069MG600
O-ring
Loading…
↗
14
931012206700
Oil seal (22x36x6-663)
Loading…
↗
15
932107477500
O-ring (xea)
Loading…
↗
16
63DW00780000
Water pump repair kit
Loading…
↗
17
63D443220000
Insert, cartridge
Loading…
↗
18
6H3443520000
Impellar
Loading…
↗
19
63D443120000
Cover, water pump housing
Loading…
↗
20
63D443230000
Outer plate, cartridge
Loading…
↗
23
970800803000
Bolt, hexagon (fj1)
Loading…
↗
24
9020908M0200
Washer, plate (688)
Loading…
↗
25
663443660000
Damper, water seal 2
Loading…
↗
26
902800302400
Key, woodruff(662)
Loading…
↗
27
63DW00780A00
Chrome pump kit
Loading…
↗
28
63D443224000
Insert, cartridge
Loading…
↗
29
63D443234000
Outer plate, cartridge
Loading…
↗