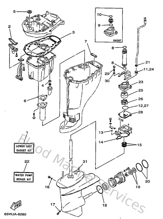
Yamaha Outboard Parts - Kits De Reparation 3 - F20AM (1999) | Flood Marine

Diagram: Kits De Reparation 3

Diagram