Yamaha Outboard Parts - Lower Casing & Drive - 15FWH (1995) | Flood Marine
New Search
Parts
New Outboards
Home
15FWH (1995)
Lower Casing & Drive
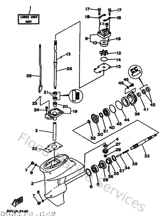
Diagram: Lower Casing & Drive
Parts List
Reference
Description
Price
1
63V45300004D
Lower unit assembly
Loading…
↗
2
63V45311018D
Casing, lower
Loading…
↗
4
6E8455873000
Shim (t:1.20mm)
Loading…
↗
5
933320000500
Brg,cyl-cal roller 0.19g nt
Loading…
↗
6
664455670130
Shim (t:0.30mm)
Loading…
↗
7
9034008M0400
Plug, straight screw
Loading…
↗
8
904300802000
Gasket
Loading…
↗
9
63V443010000
Water pump housing comp.
Loading…
↗
10
63V443220000
Insert, cartridge
Loading…
↗
11
647443660000
Damper, water seal 2
Loading…
↗
12
63V443520000
Impeller
Loading…
↗
13
664443380000
Key, woodruff
Loading…
↗
14
932104470400
O-ring(55x)
Loading…
↗
15
63V443230000
Outer plate, cartridge
Loading…
↗
16
9360410M0300
Pin, dowel (688)
Loading…
↗
17
970800804500
Bolt, hexagon
Loading…
↗
18
63V443280100
Plate
Loading…
↗
19
63V45331005B
Housing, bearing
Loading…
↗
20
626453160900
Bushing, drive shaft 1
Loading…
↗
21
931012004800
Oil seal (20x30x6-648)
Loading…
↗
22
63V45315A000
Packing, lower casing
Loading…
↗
23
9321006ME600
O-ring
Loading…
↗
24
989800802500
Screw, bind(j36)
Loading…
↗
25
63V441500000
Shift cam assembly
Loading…
↗
26
999990305900
Drive shaft assembly set
Loading…
↗
27
6E7455510000
Pinion
Loading…
↗
28
9017908M0600
Nut (6e7)
Loading…
↗
29
6E7455600000
Gear
Loading…
↗
30
6E7455710000
Gear 2
Loading…
↗
31
626455772000
Shim (t:0.30mm)
Loading…
↗
32
902011768200
Washer, plate (2k7)
Loading…
↗
33
683456110000
Shaft propeller
Loading…
↗
34
650456350000
Plunger, shift
Loading…
↗
35
682456310000
Clutch, dog
Loading…
↗
36
902500501000
Pin straight 648456320000
Loading…
↗
37
648456330000
Ring, cross pin
Loading…
↗
38
9050114M0900
Spring, compression
Loading…
↗
39
68345361014D
Cap, lower casing
Loading…
↗
40
933060051900
Bearing(1ff)
Loading…
↗
41
93315317U200
Brg,cyl-cal roller 14g (683)
Loading…
↗
42
931011705400
Oil seal (17x30x6-650)
Loading…
↗
43
9321057M0900
O-ring (683)
Loading…
↗
44
9321056M8000
O-ring(6j8)
Loading…
↗
45
970950602000
Bolt(7u8)
Loading…
↗
46
929900660000
Washer, plain (646)
Loading…
↗
1
6G1443650000
Damper, water seal 1
Loading…
↗
2
63V443680000
Rubber, water seal 4
Loading…
↗
3
63V443611100
Tube, water
Loading…
↗
5
970750803000
Bolt, hexagon (fj1)
Loading…
↗
6
929950860000
Washer, plain (663)
Loading…
↗
7
6G1452140000
Cover, water inlet
Loading…
↗
8
63V452150000
Cover, water inlet
Loading…
↗
9
987800552500
Ybs53-525 screw,flat head
Loading…
↗
10
901850500200
Nut nylon (sus)(ex4)
Loading…
↗
11
61N452510100
Anode
Loading…
↗
12
958950603500
Bolt, flange(4nx)
Loading…
↗
13
929900630000
Washer, tooth
Loading…
↗
14
63V453750000
Damper, seal
Loading…
↗
15
6E7459870100
Spacer
Loading…
↗
16
9020110M0100
Washer, plate(6m7)
Loading…
↗
17
9017110M0100
Nut castle (683)
Loading…
↗
18
914903002000
Pin cotter
Loading…
↗
19
683459520000
Propeller (3X9-1/4"x9-3/4"-J)
Loading…
↗
20
683W45920200
Propeller (3x9-3/4"x6-1/2"-j)
Loading…
↗
21
6E7459860000
Ring, deflector
Loading…
↗
22
9017110M0700
Nut, castle(6g8)
Loading…
↗
23
9020110M0200
Washer, plate(6g9)
Loading…
↗