Yamaha Outboard Parts - Lower Casing & Drive - L130BETOL (1996) | Flood Marine
New Search
Parts
New Outboards
Home
L130BETOL (1996)
Lower Casing & Drive
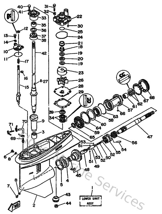
Diagram: Lower Casing & Drive
Parts List
Reference
Description
Price
1
6E545300248D
Lower unit assembly
Loading…
↗
2
6E545301038D
Casing, lower
Loading…
↗
5
6E5455670130
Shim (t:0.30mm)
Loading…
↗
7
688453410000
Plug, drain
Loading…
↗
9
6E5455360000
Sleeve, drive shaft
Loading…
↗
10
6E5453210000
Plate
Loading…
↗
15
6E5441500100
Shift cam assembly
Loading…
↗
18
61A455380000
Spacer, 1
Loading…
↗
21
61A455270000
Collar, drive shaft
Loading…
↗
22
61A443110100
Housing, water pump
Loading…
↗
23
61A443220000
Insert, cartridge
Loading…
↗
26
6E5443520000
Impeller
Loading…
↗
28
6E5443230000
Outer plate, cartridge
Loading…
↗
29
6E544315A000
Gasket,water pump
Loading…
↗
33
6E5453310094
Housing, bearing
Loading…
↗
36
6E5455870130
Shim (t:0.30mm)
Loading…
↗
39
6E5453440000
Cover, oil seal
Loading…
↗
42
6E5455010100
Drive shaft comp.
Loading…
↗
43
6E5455510200
Pinion
Loading…
↗
45
6E5455600100
Gear 1 assembly
Loading…
↗
47
6E5456110100
Shaft, propeller
Loading…
↗
48
6E5456410100
Shifter
Loading…
↗
49
6E5456340100
Slide, shift
Loading…
↗
55
6E5456310100
Clutch, dog
Loading…
↗
56
6E5456330100
Ring, cross pin
Loading…
↗
57
6E5453320094
Housing, bearing
Loading…
↗
59
6E5455710100
Gear 2
Loading…
↗
60
6E5455671000
Shim (t:0.12mm)
Loading…
↗
64
6L6455776000
Shim (t:0.50mm)
Loading…
↗
67
688453830200
Washer, claw
Loading…
↗
68
688453840000
Nut
Loading…
↗
69
6E5453780000
Nipple, hose
Loading…
↗
71
6E5835581000
End, nipple
Loading…
↗
1
6E5443660000
Damper, water seal 2
Loading…
↗
2
6E5443610000
Tube, water
Loading…
↗
3
6E5443650000
Damper, water seal 1
Loading…
↗
8
663453760094
Guide, seal damper
Loading…
↗
9
688453750000
Damper, seal 2
Loading…
↗
10
688452140200
Cover, water inlet
Loading…
↗
11
688452150200
Cover, water inlet
Loading…
↗
14
6E5453710100
Trim tab
Loading…
↗
17
6E5835580000
End, nipple
Loading…
↗
20
6E5443120000
Cover, water pump housing
Loading…
↗
21
6E5459870100
Spacer 1
Loading…
↗
22
688459970100
Spacer 2
Loading…
↗
26
688459700300
Propeller (3x13"x19"-k)
Loading…
↗
27
6E5459781000
Propeller assembly (3x14"x26"-p)
Loading…
↗
28
6E5453711000
Tab-trim
Loading…
↗
29
6E5459941000
Plate, tooth
Loading…
↗