Yamaha Outboard Parts - Lower Casing & Drive 1 - 250AETOXLX (1993) | Flood Marine
New Search
Parts
New Outboards
Home
250AETOXLX (1993)
Lower Casing & Drive 1
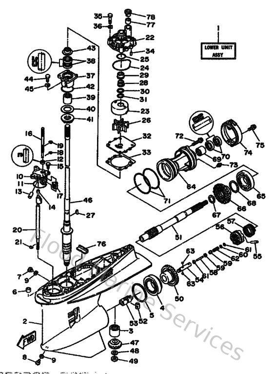
Diagram: Lower Casing & Drive 1
Parts List
Reference
Description
Price
3
93311832V200
Ball bearing
Loading…
↗
4
93332000W100
Bearing(61a)
Loading…
↗
5
61A455675000
Shim (t:0.40mm)
Loading…
↗
6
663443660000
Damper, water seal 2
Loading…
↗
7
903400800200
Plug, straight screw
Loading…
↗
8
688453410000
Plug, drain
Loading…
↗
9
904300802000
Gasket
Loading…
↗
10
61A45321005B
Plate
Loading…
↗
11
932106575200
O-ring(2hj)
Loading…
↗
12
931060901400
Oil seal
Loading…
↗
13
61A441600000
Detent Comp
Loading…
↗
14
9038406M0700
Bush, bimetal formed(6r3)
Loading…
↗
15
975950652000
Bolt(7u8)
Loading…
↗
16
61A441440000
Rod, Shift
Loading…
↗
17
61A441730000
Lever, Shift Control
Loading…
↗
18
990800560000
Circlip(22k)
Loading…
↗
19
9345007M0000
Circlip (6e5)
Loading…
↗
22
61A443110000
Housing, water pump
Loading…
↗
23
61A443220000
Insert, cartridge
Loading…
↗
24
9321086M3800
O-ring (6e5)
Loading…
↗
25
9321037M6700
O-ring (6g8)
Loading…
↗
26
6E5443520000
Impeller
Loading…
↗
27
9028004M0500
Key, woodruff (6e5)
Loading…
↗
28
61A455380000
Spacer, 1
Loading…
↗
29
61A455270000
Collar, drive shaft
Loading…
↗
30
9020122M0100
Washer, plate(61a)
Loading…
↗
31
9020622M1900
Washer, wave(61a)
Loading…
↗
32
6G5443230000
Outer plate, cartridge
Loading…
↗
33
6E544315A000
Gasket,water pump
Loading…
↗
34
936061201900
Pin, dowel (614)
Loading…
↗
35
973950804500
Bolt, hexagon
Loading…
↗
36
9020908M0200
Washer, plate (688)
Loading…
↗
37
61A453310094
Housing, bearing
Loading…
↗
38
9310128M1600
Oil seal (6e5)
Loading…
↗
39
93315430V500
Bearing, cylindrical(6k0)
Loading…
↗
40
61A455876000
Shim (t:0.50mm)
Loading…
↗
41
933419302000
Bearing
Loading…
↗
42
932105453400
O-ring (70e)
Loading…
↗
43
6E5453440000
Cover, oil seal
Loading…
↗
44
973950802500
Bolt (62g)
Loading…
↗
45
929900860000
Washer, plain (663)
Loading…
↗
46
61A455012000
Drive shaft comp.
Loading…
↗
47
61A455510100
Pinion
Loading…
↗
48
9020116M0000
Washer, plate(6t5)
Loading…
↗
49
9017016M1900
Nut(6t5)
Loading…
↗
51
61A456110000
Shaft, Propeller
Loading…
↗
55
61A456320000
Pin, cross
Loading…
↗
56
61A456310300
Clutch, dog
Loading…
↗
57
61A456330000
Ring, cross pin
Loading…
↗
58
6H1456680000
Shaft, free 1
Loading…
↗
59
61A456350000
Plunger, shift
Loading…
↗
60
9020102M0000
Washer, plate(61a)
Loading…
↗
61
9018302M0300
Nut, spring (6h1)
Loading…
↗
62
9050110M7700
Spring, compression(61a)
Loading…
↗
63
935010401100
Ball
Loading…
↗
64
61A453320094
Housing, Bearing
Loading…
↗
65
93306210U000
Bearing(61a)
Loading…
↗
66
61A455710000
Gear
Loading…
↗
67
9020131M0000
Washer, plate(61a)
Loading…
↗
68
61A455770030
Shim (t:0.30mm)
Loading…
↗
69
93317330U500
Bearing
Loading…
↗
70
9310130M1700
Oil seal (6e5)
Loading…
↗
71
932110438400
O-ring (705)
Loading…
↗
72
9010508M4800
Bolt, Flange
Loading…
↗
73
9370009M0000
Nipple, grease(6t4)
Loading…
↗
74
61A45361005B
Cap, lower casing
Loading…
↗
75
970800802000
Bolt(6td)
Loading…
↗
76
61A453760094
Guide, seal damper
Loading…
↗
77
6E5443650000
Damper, water seal 1
Loading…
↗
78
6E5443120000
Cover, water pump housing
Loading…
↗