Yamaha Outboard Parts - Lower Casing & Drive 1 - 25QEO (1990) | Flood Marine

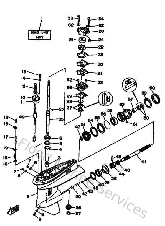
Diagram: Lower Casing & Drive 1

Diagram

Parts List

Reference
Description
Price