Yamaha Outboard Parts - Lower Casing & Drive 1 - 50DEMTO (1987) | Flood Marine
New Search
Parts
New Outboards
Home
50DEMTO (1987)
Lower Casing & Drive 1
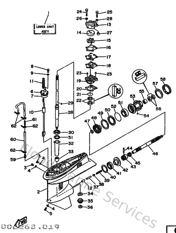
Diagram: Lower Casing & Drive 1
Parts List
Reference
Description
Price
3
903400801400
Plug, straight screw
Loading…
↗
4
904300802000
Gasket
Loading…
↗
5
688453410000
Plug, drain
Loading…
↗
6
6H4453210100
Plate
Loading…
↗
7
932104904600
O-ring (620)
Loading…
↗
8
973950601600
Bolt, hexagon deep recess
Loading…
↗
9
929900660000
Washer, plain (646)
Loading…
↗
10
6H4441501200
Shift Cam Assembly
Loading…
↗
11
655441470000
Boot, shift rod
Loading…
↗
12
6H4441600000
Detent Comp
Loading…
↗
13
663443110200
Housing, water pump
Loading…
↗
14
663443220000
Insert, cartridge
Loading…
↗
15
6H4443520000
Impeller
Loading…
↗
16
663443150000
Gasket,water pump 1
Loading…
↗
17
663443230000
Outer plate, cartridge
Loading…
↗
18
663443240000
Gasket,cartridge outer plate
Loading…
↗
20
663443160000
Gasket,water pump 2
Loading…
↗
21
932104104200
O-ring (132)
Loading…
↗
22
931012307000
Oil seal (663)
Loading…
↗
23
936040806200
Pin,dowel (626)
Loading…
↗
24
973950805500
Bolt, hexagon
Loading…
↗
25
973950804500
Bolt, hexagon
Loading…
↗
26
929900860000
Washer, plain (663)
Loading…
↗
27
663443660000
Damper, water seal 2
Loading…
↗
29
902800302400
Key, woodruff(662)
Loading…
↗
30
933320002300
Brg, tapered roller (409)
Loading…
↗
31
663455870050
Shim (t:0.50mm)
Loading…
↗
32
6H4455360000
Sleeve, drive shaft
Loading…
↗
33
933153222400
Brg,cyl-cal roller 42.2g nk
Loading…
↗
34
663455520000
Bearing, plain
Loading…
↗
35
6H4455510000
Pinion
Loading…
↗
36
901701213800
Nut hexagon(663)
Loading…
↗
37
676456350000
Plunger, shift
Loading…
↗
38
663456340000
Slide, shift
Loading…
↗
39
9050116M0100
Spring compression
Loading…
↗
40
6H4455670005
Shim (0.05Mm)
Loading…
↗
42
6H4455600000
Gear
Loading…
↗
43
6H4456310000
Clutch, dog
Loading…
↗
44
902500602300
Pin, strait (663)
Loading…
↗
45
663456330000
Ring, cross pin
Loading…
↗
46
679456110100
Shaft, propeller
Loading…
↗
47
902012242900
Washer, plate(663)
Loading…
↗
48
6H4455710000
Gear
Loading…
↗
49
663455776000
Shim (t:0.50mm)
Loading…
↗
50
663455760000
Washer, thrust 2
Loading…
↗
51
933060070200
Brg,r-b 6007 62mm 150g ky
Loading…
↗
52
932106626200
O-ring(6h4)
Loading…
↗
53
679453310000
Housing, bearing
Loading…
↗
54
902820401000
Key, strait(663)
Loading…
↗
55
933172220400
Brg,cyl-cal roller 25.5g nt
Loading…
↗
56
9310122M0000
Oil seal (22x36x6-663)
Loading…
↗
57
9021448M0300
Washer, claw(697)
Loading…
↗
58
697453840000
Nut
Loading…
↗
59
6E5453780000
Nipple, hose
Loading…
↗
60
9044507M1900
Hose (l200)
Loading…
↗
61
6E5835580000
End, nipple
Loading…
↗
62
9046511M1000
Clamp
Loading…
↗