Yamaha Outboard Parts - Lower Casing & Drive 1 - 60FETO (1993) | Flood Marine
New Search
Parts
New Outboards
Home
60FETO (1993)
Lower Casing & Drive 1
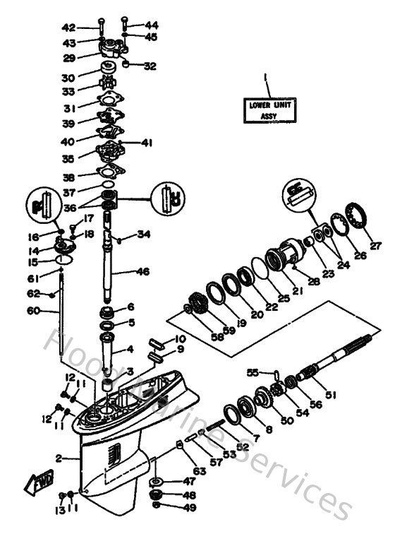
Diagram: Lower Casing & Drive 1
Parts List
Reference
Description
Price
2
6974531101EJ
Casing, Lower
Loading…
↗
3
93315322V200
Bearing Needle (698)
Loading…
↗
4
698455360000
Sleeve Drive Shaft
Loading…
↗
5
663455870130
Shim (t:0,30mm)
Loading…
↗
6
933320000100
Brg, tapered roller (409)
Loading…
↗
7
663455676000
Shim (t:0.50mm)
Loading…
↗
8
933320000300
Brg,cyl-cal roller 318g ky
Loading…
↗
9
663453760094
Guide, seal damper
Loading…
↗
10
663453750000
Rubber, seal 2
Loading…
↗
11
904300802000
Gasket
Loading…
↗
12
903400800200
Plug, straight screw
Loading…
↗
13
688453411000
Plug, drain
Loading…
↗
14
663453210000
Plate
Loading…
↗
15
932104904600
O-ring (620)
Loading…
↗
17
973950601600
Bolt, hexagon deep recess
Loading…
↗
18
929900660000
Washer, plain (646)
Loading…
↗
19
663455770130
Shim (t:0.30mm)
Loading…
↗
21
663453310094
Housing, bearing
Loading…
↗
22
933060070200
Brg,r-b 6007 62mm 150g ky
Loading…
↗
23
933172220400
Brg,cyl-cal roller 25.5g nt
Loading…
↗
24
931012206700
Oil seal (22x36x6-663)
Loading…
↗
25
9321066M9800
O-ring(6h4)
Loading…
↗
26
9021448M0300
Washer, claw(697)
Loading…
↗
27
697453840000
Nut
Loading…
↗
28
902820401000
Key, strait(663)
Loading…
↗
29
663443110200
Housing, water pump
Loading…
↗
30
663443220000
Insert, cartridge
Loading…
↗
32
663443660000
Damper, water seal 2
Loading…
↗
33
6H3443520000
Impellar
Loading…
↗
34
9028003M0300
Key, woodruff (697)
Loading…
↗
35
663443410094
Housing, water pump
Loading…
↗
36
931012307000
Oil seal (663)
Loading…
↗
37
932104104200
O-ring (132)
Loading…
↗
38
66344316A000
Gasket,water pump 2
Loading…
↗
39
663443230000
Outer plate, cartridge
Loading…
↗
41
936040806200
Pin,dowel (626)
Loading…
↗
42
973950805500
Bolt, hexagon
Loading…
↗
43
929900860000
Washer, plain (663)
Loading…
↗
44
970950804500
Bolt, hexagon
Loading…
↗
46
62F455011000
Drive Shaft Comp.
Loading…
↗
47
663455520000
Bearing, plain
Loading…
↗
48
675455510000
Pinion (14T)
Loading…
↗
49
901701213800
Nut hexagon(663)
Loading…
↗
50
675455600000
Gear (24T)
Loading…
↗
51
697456110000
Shaft, propeller
Loading…
↗
52
905011623300
Spring compression(663)
Loading…
↗
53
663456340000
Slide, shift
Loading…
↗
54
663456310100
Clutch, dog
Loading…
↗
55
902500602300
Pin, strait (663)
Loading…
↗
57
688456350000
Plunger, shift
Loading…
↗
58
902012242900
Washer, plate(663)
Loading…
↗
59
675455710100
Gear 2
Loading…
↗
60
6K5441440000
Rod, shift
Loading…
↗
61
932100754000
O-ring (11m)
Loading…
↗
62
990010860000
Circlip(2r6)
Loading…
↗
63
663441510000
Cam, shift
Loading…
↗
2
6H14530102EJ
Casing, Lower
Loading…
↗
3
93315325V100
Bearing, needle (688)
Loading…
↗
4
688455360100
Sleeve, drive shaft
Loading…
↗
5
688455870130
Shim (t:0.30mm)
Loading…
↗
6
93332000U300
Brg,tapered roller 50mm (688)
Loading…
↗
7
688455676000
Shim (t:0.50mm)
Loading…
↗
8
93332000U500
Bearing(6b0)
Loading…
↗
10
688453410000
Plug, drain
Loading…
↗
12
688452140200
Cover, water inlet
Loading…
↗
13
688452150200
Cover, water inlet
Loading…
↗
14
9015105M0000
Screw, countersunk(692)
Loading…
↗
15
901850500200
Nut nylon (sus)(ex4)
Loading…
↗
16
688453210000
Plate
Loading…
↗
18
931060901400
Oil seal
Loading…
↗
21
6H3443110000
Housing, water pump 1
Loading…
↗
26
6H3443410094
Housing, water pump set
Loading…
↗
28
932104604400
O-ring
Loading…
↗
31
6H3443230000
Outer plate, cartridge
Loading…
↗
32
9360410M0300
Pin, dowel (688)
Loading…
↗
34
973950804500
Bolt, hexagon
Loading…
↗
35
9020908M0200
Washer, plate (688)
Loading…
↗
36
6H3455010000
Drive Shaft Comp.
Loading…
↗
37
6K5455510000
Pinion
Loading…
↗
38
9017016M0100
Nut, hexagon (688)
Loading…
↗
39
6K5455600000
Gear
Loading…
↗
41
6H1456310100
Clutch, dog
Loading…
↗
42
9360312M1100
Pin, dowel(6h1)
Loading…
↗
43
6H1456340200
Slide, shift
Loading…
↗
44
9050116M6500
Spring, compression(6h1)
Loading…
↗
45
935031600300
Ball
Loading…
↗
46
6H1456680000
Shaft, free 1
Loading…
↗
47
6H1456350000
Plunger, shift
Loading…
↗
48
9050112M4800
Spring (6h1)
Loading…
↗
50
9018302M0300
Nut, spring (6h1)
Loading…
↗
51
9025007M0200
Pin, straight (688)
Loading…
↗
52
688456330000
Ping, cross pin
Loading…
↗
53
6H1456410100
Shifter
Loading…
↗
54
6H1441510000
Cam, shift
Loading…
↗
55
6H1441440000
Rod, shift 2
Loading…
↗
57
990010660000
Circlip(53l)
Loading…
↗
58
9345007M0000
Circlip (6e5)
Loading…
↗
59
6H3455710000
Gear 2
Loading…
↗
60
6884533100CA
Housing, bearing
Loading…
↗
61
93306207U000
Brg,r-b 6207 72mm 280g (688)
Loading…
↗
62
688455776000
Shim (t:0.50mm)
Loading…
↗
63
688455760000
Washer, thrust 2
Loading…
↗
64
9321085M9700
O-ring(6h1)
Loading…
↗
65
93317325U000
Brg,needle
Loading…
↗
68
688453830200
Washer, claw
Loading…
↗
69
688453840000
Nut
Loading…
↗
70
6E5453780000
Nipple, hose
Loading…
↗
71
9044507ME900
Hose (l250)
Loading…
↗
72
6E5835581000
End, nipple
Loading…
↗
73
9046511M1000
Clamp
Loading…
↗