Yamaha Outboard Parts - Lower Casing & Drive 1 - 90AETOL (1993) | Flood Marine

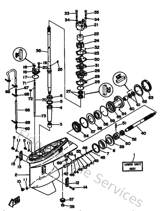
Diagram: Lower Casing & Drive 1

Diagram

Parts List

Reference
Description
Price