Yamaha Outboard Parts - Lower Casing & Drive 2 - 250AETOXLX (1993) | Flood Marine
New Search
Parts
New Outboards
Home
250AETOXLX (1993)
Lower Casing & Drive 2
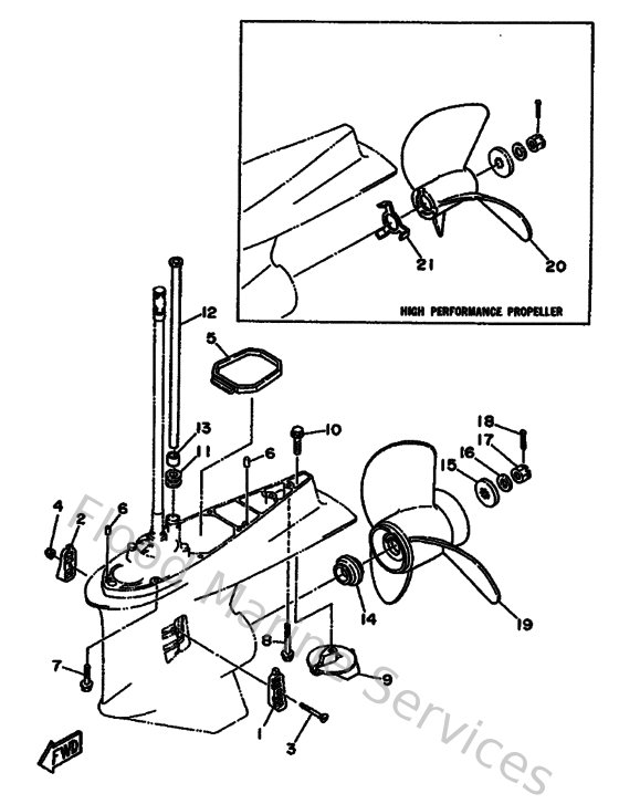
Diagram: Lower Casing & Drive 2
Parts List
Reference
Description
Price
1
61A452140000
Cover, water inlet
Loading…
↗
2
61A452150000
Cover, water inlet
Loading…
↗
3
9014205M0400
Screw, countersunk
Loading…
↗
4
901850590400
Nut nylon (sus)(ex4)
Loading…
↗
5
61A453750000
Damper, seal
Loading…
↗
6
9360812M0500
Pin, dowel b (6e5)
Loading…
↗
7
970751004500
Bolt(64d)
Loading…
↗
8
9011910MA200
Bolt, with washer
Loading…
↗
9
61A453710000
Anode
Loading…
↗
10
9010510M0000
Bolt, hexagon (663)
Loading…
↗
11
6E5443660000
Damper, water seal 2
Loading…
↗
12
61A443612000
Tube, water
Loading…
↗
13
6E5443650000
Damper, water seal 1
Loading…
↗
14
63P459870000
Spacer 1
Loading…
↗
15
688459970100
Spacer 2
Loading…
↗
16
929901820000
Washer (6e5)
Loading…
↗
17
9017118M0400
Nut, castle (6e5)
Loading…
↗
18
914904003000
Pin, cotter (663)
Loading…
↗
19
6G5459720298
Propeller (3x13-3/4 x21 -m)
Loading…
↗
20
6E5459781000
Propeller assembly (3x14"x26"-p)
Loading…
↗
21
6E5459941000
Plate, tooth
Loading…
↗