Yamaha Outboard Parts - Lower Casing & Drive 2 - 50DEMTO (1987) | Flood Marine
New Search
Parts
New Outboards
Home
50DEMTO (1987)
Lower Casing & Drive 2
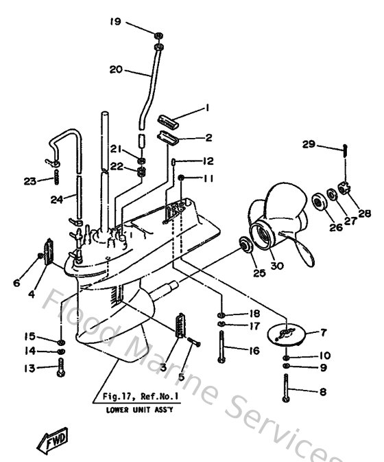
Diagram: Lower Casing & Drive 2
Parts List
Reference
Description
Price
1
688453750000
Damper, seal 2
Loading…
↗
2
663453760000
Guide, seal damper
Loading…
↗
3
688452140100
Cover, water inlet
Loading…
↗
4
688452150100
Cover, water inlet
Loading…
↗
5
987800553500
Srcrew flat head (e03)
Loading…
↗
6
901850500200
Nut nylon (sus)(ex4)
Loading…
↗
7
664453710100
Tab-trim
Loading…
↗
8
975750867500
Bolt, With Washer (6H4)
Loading…
↗
9
929900810000
Ybs67-8 washer, spring
Loading…
↗
10
929900860000
Washer, plain (663)
Loading…
↗
11
953800860000
Nut (661)
Loading…
↗
12
936061201900
Pin, dowel (614)
Loading…
↗
13
973751004000
Bolt, hexagon deep recess
Loading…
↗
14
929901010000
Ybs67-10 washer, spring
Loading…
↗
15
929901060000
Washer, plate
Loading…
↗
16
973750808500
Bolt, with washer
Loading…
↗
19
902021206000
Washer, plate(663)
Loading…
↗
22
663443670000
Damper, water seal 3
Loading…
↗
23
6E5835580000
End, nipple
Loading…
↗
25
663459870200
Spacer
Loading…
↗
26
670459970100
Spacer
Loading…
↗
30
6634594502EL
Propeller (3x11-1/8"x13"-g)
Loading…
↗