Yamaha Outboard Parts - Lower Casing & Drive 2 - 80AETOL (1987) | Flood Marine
New Search
Parts
New Outboards
Home
80AETOL (1987)
Lower Casing & Drive 2
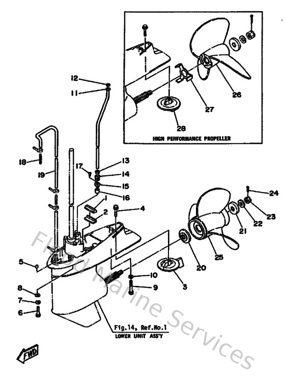
Diagram: Lower Casing & Drive 2
Parts List
Reference
Description
Price
1
688453750000
Damper, seal 2
Loading…
↗
2
663453760094
Guide, seal damper
Loading…
↗
3
688453710200
Tab-trim
Loading…
↗
4
9010510M0000
Bolt, hexagon (663)
Loading…
↗
5
936061201900
Pin, dowel (614)
Loading…
↗
6
970751004000
Bolt, hexagon deep recess
Loading…
↗
7
929901010000
Ybs67-10 washer, spring
Loading…
↗
8
929901060000
Washer, plate
Loading…
↗
9
973950806000
Bolt, hexagon
Loading…
↗
10
929900810000
Ybs67-8 washer, spring
Loading…
↗
11
688443612000
Tube, water (ul)
Loading…
↗
12
902021206000
Washer, plate(663)
Loading…
↗
13
904301207200
Gasket
Loading…
↗
14
663443670000
Damper, water seal 3
Loading…
↗
15
9048019M0600
Grommet (688)
Loading…
↗
16
663443660000
Damper, water seal 2
Loading…
↗
17
977804011200
Screw, pan head tapping
Loading…
↗
18
6E5835580000
End, nipple
Loading…
↗
19
9044507MF100
Hose (l570)
Loading…
↗
20
688459870000
Spacer
Loading…
↗
21
688459970000
Spacer 2
Loading…
↗
22
9020117M0000
Washer, plate(6h1)
Loading…
↗
23
901711601100
Nut, castle (663)
Loading…
↗
24
914904002500
Pin, cotter (663)
Loading…
↗
25
6E54594900EL
Propeller (3x13-5/8"x13"-k)
Loading…
↗
26
6E5459781000
Propeller assembly (3x14"x26"-p)
Loading…
↗
27
6E5459941000
Plate, tooth
Loading…
↗
28
6E5453711000
Tab-trim
Loading…
↗