Yamaha Outboard Parts - Lower Casing & Drive 2 - FT9.9DMHSL (2000) | Flood Marine
New Search
Parts
New Outboards
Home
FT9.9DMHSL (2000)
Lower Casing & Drive 2
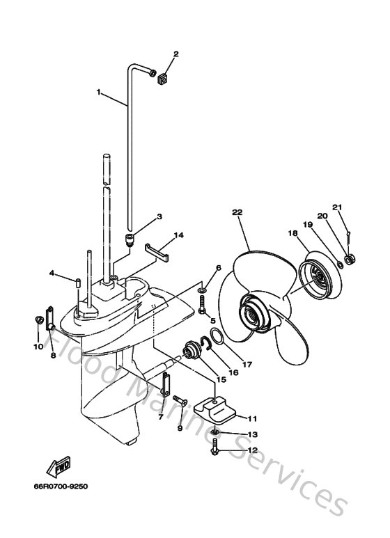
Diagram: Lower Casing & Drive 2
Parts List
Reference
Description
Price
1
66M443610000
Tube, Water 1
Loading…
↗
2
63V443651000
Damper, water seal 1
Loading…
↗
3
63V443680000
Rubber, water seal 4
Loading…
↗
4
9360412M0700
Pin, dowel (688)
Loading…
↗
5
970950803500
Bolt(70w)
Loading…
↗
6
929950860000
Washer, plain (663)
Loading…
↗
7
6G1452140000
Cover, water inlet
Loading…
↗
8
63V452150000
Cover, water inlet
Loading…
↗
9
901520501100
Screw, countersunk
Loading…
↗
10
901850500200
Nut nylon (sus)(ex4)
Loading…
↗
11
61N452510100
Anode
Loading…
↗
12
958950603000
Bolt, flange deep recess
Loading…
↗
13
929900630000
Washer, tooth
Loading…
↗
14
63V453750000
Damper, seal
Loading…
↗
15
6G8459870200
Spacer
Loading…
↗
16
9345010M0400
Circlip(6g8)
Loading…
↗
17
9020131MA300
Washer, plate (6g8)
Loading…
↗
18
6G8459860000
Ring, deflector
Loading…
↗
19
9020110M0200
Washer, plate(6g9)
Loading…
↗
20
9017110M0700
Nut, castle(6g8)
Loading…
↗
21
914903002500
Pin cotter
Loading…
↗
22
6G8459410000
Propeller (pa 3x11-3/4"x11"-r)
Loading…
↗