Yamaha Outboard Parts - Magneto - 50DEMTO (1988) | Flood Marine
New Search
Parts
New Outboards
Home
50DEMTO (1988)
Magneto
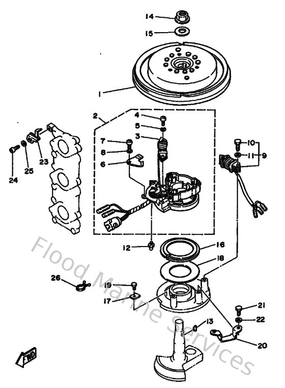
Diagram: Magneto
Parts List
Reference
Description
Price
2
6H485510F000
Stator Assembly
Loading…
↗
3
6H4855200000
Coil, Charge
Loading…
↗
4
978020602000
Screw pan head
Loading…
↗
5
929900610000
Washer(6a1)
Loading…
↗
6
6H4855480000
Clamp, cord
Loading…
↗
7
985800500800
Screw, pan head (7g3)
Loading…
↗
8
929900510000
Ybs67-5 washer, spring
Loading…
↗
9
6H481303A000
Lighting Coil Assembly
Loading…
↗
10
973130602500
Bolt
Loading…
↗
11
929900660000
Washer, plain (646)
Loading…
↗
12
663855180000
Joint, ball
Loading…
↗
13
902800504900
Key, woodruff (12r)
Loading…
↗
14
9017916M0500
Nut (689)
Loading…
↗
15
9020116M4400
Washer (689)
Loading…
↗
16
6H4416111000
Retainer, magneto base
Loading…
↗
18
6J8416180000
Washer, magneto
Loading…
↗
19
973130602000
Bolt(7u8)
Loading…
↗
20
6H4416130000
Base Friction Plat
Loading…
↗
21
970130601200
Bolt(gh1)
Loading…
↗
23
6H4813320000
Plate, timing
Loading…
↗
24
985800501000
Screw, pan head(62x)
Loading…
↗
25
929900560000
Washer, plain (646)
Loading…
↗
26
904651814700
Clamp
Loading…
↗