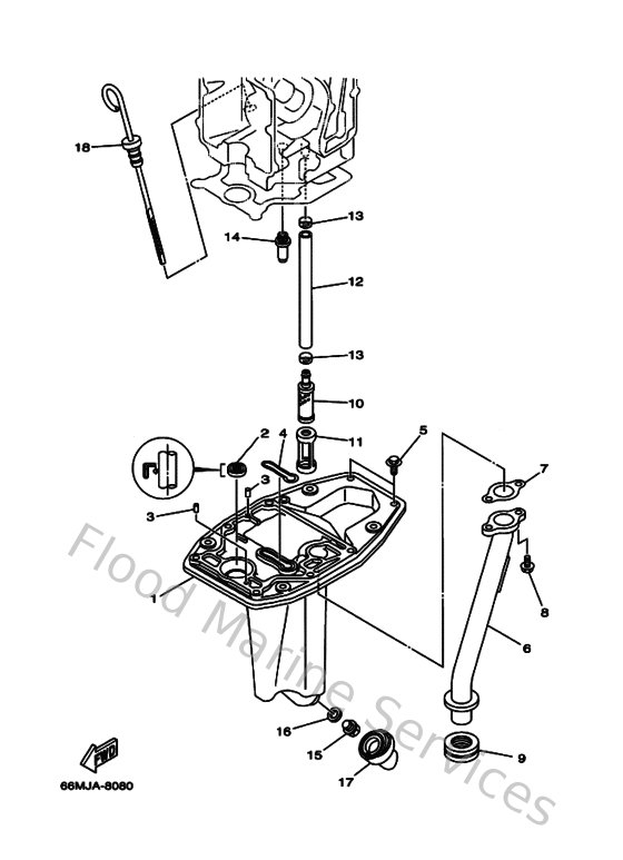
Yamaha Outboard Parts - Oil Pan - F15AMH (1998) | Flood Marine

Diagram: Oil Pan

Diagram