Yamaha Outboard Parts - Oil Pan - F40AET (1999) | Flood Marine
New Search
Parts
New Outboards
Home
F40AET (1999)
Oil Pan
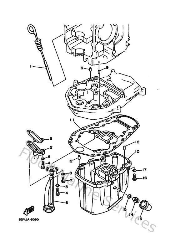
Diagram: Oil Pan
Parts List
Reference
Description
Price
1
62Y153620000
Plug, oil level
Loading…
↗
2
62Y115750000
Relief valve ass'y
Loading…
↗
3
62Y134750000
Gasket
Loading…
↗
4
970130602500
Bolt(62y)
Loading…
↗
5
929030660000
Washer, plain (646)
Loading…
↗
6
62Y134110000
Strainer, oil
Loading…
↗
7
970130601600
Bolt, hexagon deep recess
Loading…
↗
9
9360812M0500
Pin, dowel b (6e5)
Loading…
↗
10
62Y15311005B
Oil pan set
Loading…
↗
11
62Y153120000
Gasket, oil pan
Loading…
↗
12
936061201900
Pin, dowel (614)
Loading…
↗
13
62Y153160000
Damper 1
Loading…
↗
14
62Y134710000
Plug, Drain
Loading…
↗
15
932101451500
O-ring (11h)
Loading…
↗
16
970750602500
Bolt
Loading…
↗
17
929950660000
Washer, plain (646)
Loading…
↗