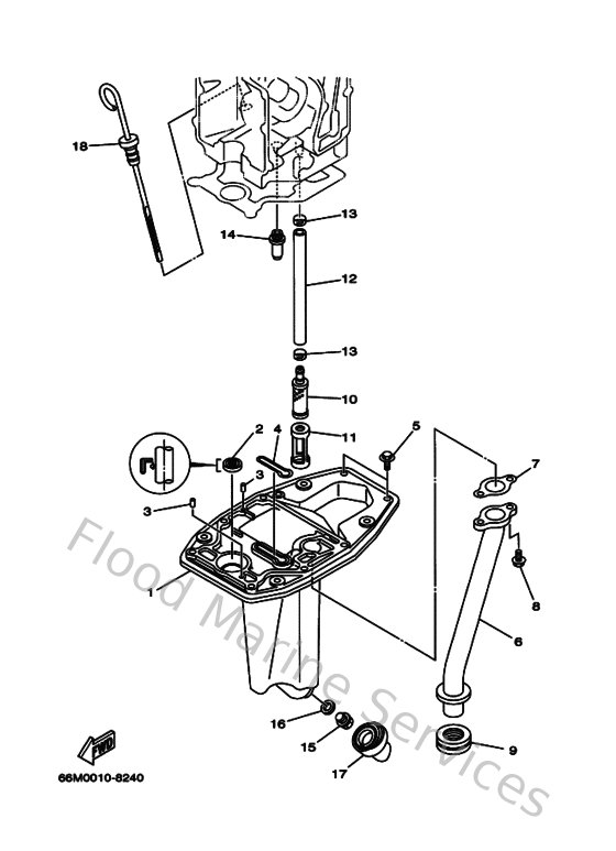
Yamaha Outboard Parts - Oil Pan - FT9.9DMHSL (2000) | Flood Marine

Diagram: Oil Pan

Diagram