Yamaha Outboard Parts - Oil Pan - FT9.9DMHSL (2001) | Flood Marine

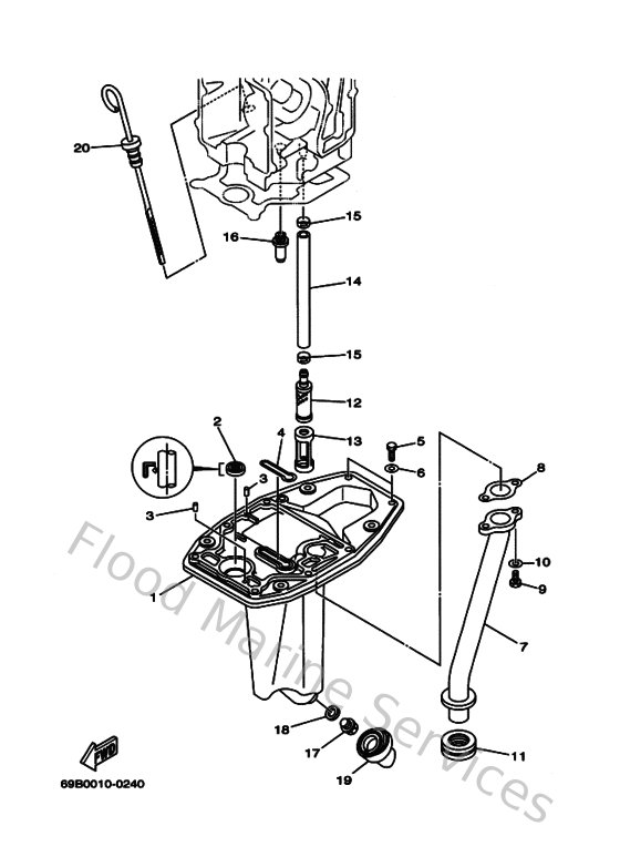
Diagram: Oil Pan

Diagram