Yamaha Outboard Parts - Oil Pump - 20DMHO (1989) | Flood Marine
New Search
Parts
New Outboards
Home
20DMHO (1989)
Oil Pump
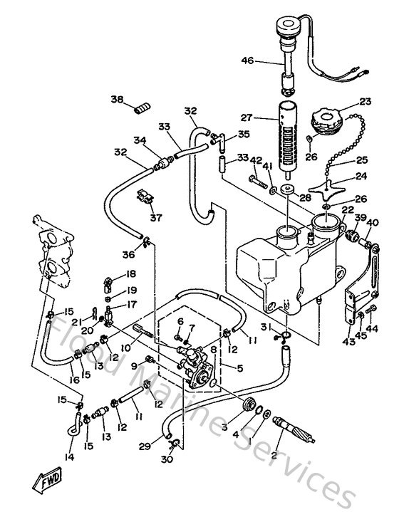
Diagram: Oil Pump
Parts List
Reference
Description
Price
1
9020108M9300
Washer, plate (6g5)
Loading…
↗
2
6L2115370000
Gear, driven
Loading…
↗
3
6J8131170000
Collar, distance
Loading…
↗
4
932101359500
93210-13m04
Loading…
↗
5
6L2132000000
Oil injection pump assembly
Loading…
↗
6
6L2134710000
Plug, drain
Loading…
↗
7
1YU131870000
Gasket, breather bolt
Loading…
↗
8
9321019M8200
O-ring(6j8)
Loading…
↗
10
9010905M3300
Bolt
Loading…
↗
11
9044507M5100
Hose (l200)
Loading…
↗
12
9046807M0200
Clip (6e5)
Loading…
↗
13
6E9131837000
Valve check
Loading…
↗
14
9044507M0400
Hose(62t)
Loading…
↗
16
9044507M1600
Hose(62t)
Loading…
↗
17
682412375000
Joint, link 2
Loading…
↗
18
6H1412370000
Joint, link
Loading…
↗
19
953030570000
Nut (656)
Loading…
↗
20
902020508800
Washer, plate (666)
Loading…
↗
21
9046805M0300
Clip(6j8)
Loading…
↗
22
6L2217070100
Oil tank comp.
Loading…
↗
23
6H4217700000
Oil tank cap assembly
Loading…
↗
24
6L2217580000
Washer, special 2
Loading…
↗
26
6H1217570000
Washer, special 1
Loading…
↗
27
6J8134110000
Strainer, oil
Loading…
↗
28
6J8134140000
Gasket, strainer cover
Loading…
↗
29
6L2134160000
Pipe, oil 1
Loading…
↗
30
904670800400
Clip, pipe 6162435600
Loading…
↗
31
9046711M0800
Clip(72x)
Loading…
↗
32
9044511M0300
Hose (l360)
Loading…
↗
33
90445112E000
Hose (l70)
Loading…
↗
34
6J8217440000
Breather
Loading…
↗
35
6E5243761000
Pipe, joint 1
Loading…
↗
36
9046710M0400
Clip, pipe 1 (6e9)
Loading…
↗
37
9046411M2400
Clamp(6h1)
Loading…
↗
38
9044610M0100
Tube (6e5)
Loading…
↗
39
6A0823170000
Damper, ignition coil
Loading…
↗
40
624425420000
Collar
Loading…
↗
41
902010605000
Washer, plate(6e3)
Loading…
↗
42
970800603000
Bolt(jf7)
Loading…
↗
43
6L2217980000
Bracket, damper
Loading…
↗
44
973130601600
Bolt, hexagon deep recess
Loading…
↗
45
929900660000
Washer, plain (646)
Loading…
↗
46
6L2857200200
Oil level gauge assembly
Loading…
↗