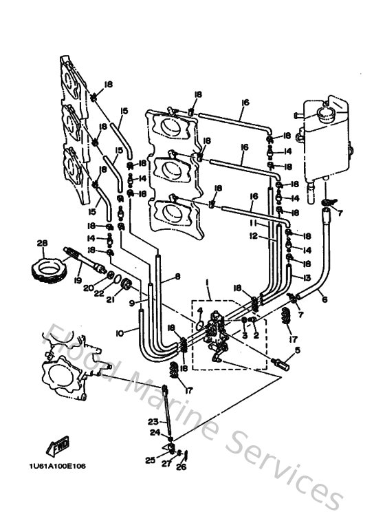
Yamaha Outboard Parts - Oil Pump - 250AETOXLX (1996) | Flood Marine

Diagram: Oil Pump

Diagram