Yamaha Outboard Parts - Oil Pump - L200JETOL (2001) | Flood Marine
New Search
Parts
New Outboards
Home
L200JETOL (2001)
Oil Pump
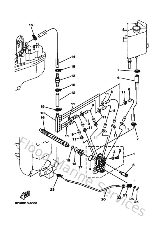
Diagram: Oil Pump
Parts List
Reference
Description
Price
1
67H132000000
Oil Injection Pump assembly
Loading…
↗
2
6R3134710000
Screw
Loading…
↗
3
1YU131870000
Gasket, breather bolt
Loading…
↗
4
9321019MA700
O-ring(6r0)
Loading…
↗
5
9010906M4000
Bolt(6h0)
Loading…
↗
6
6R3134160000
Pipe, oil 1
Loading…
↗
7
904651009800
Clamp
Loading…
↗
8
9044507M0000
Hose (l200)
Loading…
↗
9
9044507M2500
Hose (l200)
Loading…
↗
10
65L243780000
Pipe, joint 4
Loading…
↗
11
9046807M0200
Clip (6e5)
Loading…
↗
12
90445090F600
Hose (l1500)
Loading…
↗
13
65L131830000
Valve, check
Loading…
↗
14
9044609M9300
Hose
Loading…
↗
16
6R3115370000
Gear, driven
Loading…
↗
17
6R3131170000
Collar, distance
Loading…
↗
18
932101359500
93210-13m04
Loading…
↗
19
9020208M4400
Washer, plate(6r3)
Loading…
↗
20
67H412410000
Rod, link
Loading…
↗
21
6H1412370000
Joint, link
Loading…
↗
22
953800560000
Nut, hexagon (663)
Loading…
↗
23
6R5412370000
Joint, link
Loading…
↗
24
9046805M0300
Clip(6j8)
Loading…
↗
25
902020508800
Washer, plate (666)
Loading…
↗