Yamaha Outboard Parts - Optionnelles 1 - L130BETOL (1996) | Flood Marine
New Search
Parts
New Outboards
Home
L130BETOL (1996)
Optionnelles 1
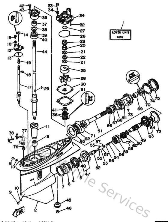
Diagram: Optionnelles 1
Parts List
Reference
Description
Price
1
6L645300228D
Lower Unit Assembly (Ref. #2 ~78 & Alternate 2, Ref. #)
Loading…
↗
2
6E545301038D
Casing, lower
Loading…
↗
6
6L6455380000
Spacer, 1
Loading…
↗
7
6E5455674000
Shim (t:0.30mm)
Loading…
↗
9
688453411000
Plug, drain
Loading…
↗
11
6E5455360000
Sleeve, drive shaft
Loading…
↗
12
6E5453210000
Plate
Loading…
↗
17
6L6441500000
Shift cam assembly
Loading…
↗
20
61A455380000
Spacer, 1
Loading…
↗
23
61A455270000
Collar, drive shaft
Loading…
↗
24
61A443110100
Housing, water pump
Loading…
↗
25
61A443220000
Insert, cartridge
Loading…
↗
28
6E5443520000
Impeller
Loading…
↗
30
6E5443230000
Outer plate, cartridge
Loading…
↗
31
6E544315A000
Gasket,water pump
Loading…
↗
35
6E545331009S
Housing, bearing
Loading…
↗
38
6E5455876000
Shim (t:0.50mm)
Loading…
↗
41
6E5453440000
Cover, oil seal
Loading…
↗
44
6E5455012100
Drive shaft comp.
Loading…
↗
45
6E5455510200
Pinion
Loading…
↗
47
6L6455600000
Gear
Loading…
↗
49
6K1456110000
Shaft, Propeller
Loading…
↗
51
6L6456112000
Shaft, Propeller
Loading…
↗
52
6K1456410100
Shifter
Loading…
↗
53
6E5456340100
Slide, shift
Loading…
↗
59
6E5456310100
Clutch, dog
Loading…
↗
60
6E5456330100
Ring, cross pin
Loading…
↗
61
6L64533200CA
Housing, bearing
Loading…
↗
63
6L6455700000
Gear 2 (26T)
Loading…
↗
65
6L6455760000
Washer, thrust
Loading…
↗
67
6K1455780130
Shim (t:0.30mm)
Loading…
↗
72
6L6455770030
Shim (t:0.30mm)
Loading…
↗
74
688453830200
Washer, claw
Loading…
↗
75
688453840000
Nut
Loading…
↗
76
6E5453780000
Nipple, hose
Loading…
↗
78
6E5835581000
End, nipple
Loading…
↗
97
6E5455670110
Shim (t:0.10mm)
Loading…
↗