Yamaha Outboard Parts - Optionnelles 3 - 25QEO (1994) | Flood Marine
New Search
Parts
New Outboards
Home
25QEO (1994)
Optionnelles 3
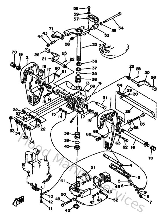
Diagram: Optionnelles 3
Parts List
Reference
Description
Price
1
69743111044D
Bracket, clamp
Loading…
↗
2
69743112034D
Bracket, clamp
Loading…
↗
3
6H1452510200
Anode
Loading…
↗
4
6EK445360000
Plate 2
Loading…
↗
5
9020106M3100
Washer (6a0)
Loading…
↗
6
970950601200
Bolt(gh1)
Loading…
↗
7
970950601600
Bolt, hexagon deep recess
Loading…
↗
8
929950610000
Washer(6a1)
Loading…
↗
9
929900660000
Washer, plain (646)
Loading…
↗
10
6H1821480000
Wire, lead
Loading…
↗
11
970950601000
Bolt
Loading…
↗
13
69743311034D
Bracket, swivel
Loading…
↗
14
9370006M0300
Nipple, grease(6a1)
Loading…
↗
15
663451190000
Cap, grease nipple
Loading…
↗
16
688431310300
Bolt, clamp bracket
Loading…
↗
17
9038622M1500
Bushing (688)
Loading…
↗
18
9020122M6700
Washer, plate (688)
Loading…
↗
19
901852200700
Nut, self-locking
Loading…
↗
20
688431810400
Lever, tilt stop 1
Loading…
↗
21
688431850400
Lever, tilt stop 2
Loading…
↗
22
9038610M1600
Bushing (688)
Loading…
↗
23
929901060000
Washer, plate
Loading…
↗
24
9050110M2100
Spring (688)
Loading…
↗
25
914903003000
Pin, cotter
Loading…
↗
26
663433180000
Cover
Loading…
↗
27
9038710M3800
Coller (6e5)
Loading…
↗
28
697431600000
Tilt lock ass'y
Loading…
↗
29
688431650000
Stopper, tilt rod
Loading…
↗
30
916903001200
Pin, spring
Loading…
↗
31
6E5431260200
Pin, upper shock mount
Loading…
↗
32
9038618M6300
Bush(6e5)
Loading…
↗
33
9341018M0200
Circlip (6f2)
Loading…
↗
34
9038618M3500
Bush (688)
Loading…
↗
35
6H442510094D
element
Loading…
↗
36
9020130M0000
Washer, plate(6h1)
Loading…
↗
37
9038630M7800
Bush(6h0)
Loading…
↗
38
9038630M7700
Bush(6h0)
Loading…
↗
39
9321029M9400
O-ring(6h1)
Loading…
↗
40
9038630M6000
Bush(6j8)
Loading…
↗
41
6H444551014D
Housing, lower mount rubber 1
Loading…
↗
42
9341028M0600
Circlip (688)
Loading…
↗
43
901161017500
Bolt, stud
Loading…
↗
44
901851002700
Nut, self-locking
Loading…
↗
45
6H4445570000
Mount, lower front
Loading…
↗
46
6H4445530100
Cover, lower mount
Loading…
↗
47
970950802500
Bolt (62g)
Loading…
↗
48
929900860000
Washer, plain (663)
Loading…
↗
49
973951006000
Bolt, hexagon
Loading…
↗
51
6H5821170000
Wire, Lead
Loading…
↗
52
6H5821490000
Wire, Lead 3
Loading…
↗
53
6H4445140000
Mount, upper side
Loading…
↗
54
9010108M8600
Bolt (6h4)
Loading…
↗
55
902010942500
Washer, plate (663)
Loading…
↗
56
901850801800
Nut, self-locking
Loading…
↗
57
6H4445110094
Cover, Upper Mount
Loading…
↗
58
970950803500
Bolt(70w)
Loading…
↗
59
929900810000
Ybs67-8 washer, spring
Loading…
↗
60
6E5821480000
Wire, lead 5
Loading…
↗
61
925800601200
Screw, pan head(62j)
Loading…
↗
62
970951004500
Bolt(64d)
Loading…
↗
63
929901010000
Ybs67-10 washer, spring
Loading…
↗
64
9050220M0300
Spring (6e5)
Loading…
↗
65
9010112M6500
Bolt
Loading…
↗
66
929901220000
Ybs66-12 washer,plain
Loading…
↗
67
902011242600
Washe, plate(663)
Loading…
↗
68
953801260000
Nut (707)
Loading…
↗
69
902690301000
Rivet (663)
Loading…
↗
70
6G5431450000
Cap, clamp bracket
Loading…
↗