Yamaha Outboard Parts - Partie Electrique 1 - 80AETOL (1994) | Flood Marine
New Search
Parts
New Outboards
Home
80AETOL (1994)
Partie Electrique 1
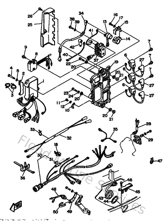
Diagram: Partie Electrique 1
Parts List
Reference
Description
Price
1
6H0855400300
C.d.i. unit assembly
Loading…
↗
2
6H1855421000
Bracket
Loading…
↗
3
9046513M1100
Clamp (6e5)
Loading…
↗
4
973950605000
Bolt(jf7)
Loading…
↗
5
929900660000
Washer, plain (646)
Loading…
↗
6
697855700000
Ignition coil assembly
Loading…
↗
7
975950652000
Bolt(7u8)
Loading…
↗
8
6H0819600000
Rectifier & regulator assembly
Loading…
↗
10
9046508M2300
Clamp (6h3)
Loading…
↗
11
970850601000
Bolt
Loading…
↗
12
929950610000
Washer(6a1)
Loading…
↗
13
6G1819411000
Starter relay
Loading…
↗
14
6G1819520000
Holder, relay
Loading…
↗
15
6E9819457000
Plate, switch fitting
Loading…
↗
16
970950601600
Bolt, hexagon deep recess
Loading…
↗
18
6G5821520000
Holder, fuse
Loading…
↗
19
6H1855420000
Bracket
Loading…
↗
20
9048009M2500
Grommet(688)
Loading…
↗
21
9038706M0300
Collar (676)
Loading…
↗
23
9010906M3900
Bolt(6h0)
Loading…
↗
24
9020106M3100
Washer (6a0)
Loading…
↗
25
6H1819160000
Cover, terminal
Loading…
↗
26
9015906M1100
Screw, with washer(6l2)
Loading…
↗
27
6E3823702100
Plug cap assembly
Loading…
↗
28
688825601000
Thermo switch assembly
Loading…
↗
29
688825880100
Plate
Loading…
↗
30
6H0825901200
Wire harness assembly (10p)
Loading…
↗
31
682821510000
Fuse
Loading…
↗
32
6H0821050100
Battery cable
Loading…
↗
33
904642526700
Clamp
Loading…
↗
34
6H0821170000
Wire, lead
Loading…
↗
35
697825190000
Wire,earth lead
Loading…
↗
36
688825940000
Clamp
Loading…
↗
37
61A819500000
Relay assembly
Loading…
↗
38
970950602500
Bolt
Loading…
↗
40
6H0819491000
Wire, lead
Loading…
↗
41
6H5819490000
Wire, lead
Loading…
↗
42
682821190100
Cover, lead wire
Loading…
↗
43
6H1825631000
Trim & tilt switch assembly
Loading…
↗
44
6E5825870000
Gasket
Loading…
↗
45
6H1836140000
Braket
Loading…
↗
47
9046418M1400
Clamp(6h1)
Loading…
↗
48
688825401100
Neutral switch assembly
Loading…
↗
49
663825540100
Stay, neutral switch
Loading…
↗
50
663825550100
Plate
Loading…
↗